| BAUTEILE-ÜBERSICHT |

| 1. ABS-Steuermodul (HECU) 2. Vorderraddrehzahlsensor |
3. Hinterraddrehzahlsensor
|
| Beschreibung |
Diese Spezifikation gilt für die hydraulische Steuereinheit (HCU) und für die elektronische Steuereinheit (ECU) der hydraulischen und elektronischen Steuereiheit (HECU)
Diese Spezifikation gilt für die Verkabelung sowie für den Einbau von ABS ECU.
Diese Einheit hat die folgenden Funktionen.
| – |
Aufnahme der Raddrehzahlsignale über die Raddrehzahlsensoren, die an allen 4 Rädern angebracht sind. |
| – |
Steuerung der Bremskraft |
| – |
Sicherheitsfunktion. |
| – |
Eigendiagnose. |
| – |
Interface für den Anschluss eines externen Diagnosegeräts. |
Einbauposition: Motorraum
| – |
Die Länge des Bremsrohrs von der ffnung im Hauptbremszylinder bis zur Einlassöffnung des HECU sollte max. 1 m betragen |
| – |
Sie sollte sich nicht in der Nähe des Motorblocks und nicht unter dem Rad befinden. |
ARBEITSWEISE
Die ECU sollte anfangen zu arbeiten, sobald die Betriebsspannung eingeschaltet wird (IGN).
Bei Beendigung der Initialisierungsphase sollte das ECU funktionstüchtig sein.
Während des Betriebs solte das ECU innerhalb der spezifizierten Grenzen (Spannung und Temperatur) in der Lage sein, die verschiedenen Signale von den verschiedenen Sensoren und Schaltern in bereinstimmung mit dem Kontrollalgorithmus, der von der Software definiert wird, zu verarbeiten und die hydraulischen und elektrischen Regler zu steuern.
Verarbeitung des Radsensorsignals
Das ECU sollte das Raddrehzahlsignal von den vier aktiven Radsensoren erhalten.
Die Radsignale werden vom Signalaufbereitungskreis nach Empfang des Stromsignals von den aktiven Radsensoren in ein Spannungssignal umgewandelt und als Eingang an das MCU gesendet.
Magnetventilsteuerung
Wenn eine Seite der Ventilspule an positive Stromspannung, die duch das Ventilrelais geliefert wird, angeschlossen ist und die andere Seite durch die Halbleiterschaltung an Masse, beginnt das Magnetventil zu arbeiten.
Die elektrische Funktion der Spulen wird unter normalen Betriebsbedingungen ständig durch den Ventiltestimpuls überprüft.
Spannungsgrenzwerte
| – |
berspannung Wenn eine überspannung erfasst wird (Über 16,8 V), schaltet die ECU sowohl das Ventilrelais als auch das System aus. Wenn die Spannung wieder innerhalb des normalen Betriebsbereichs liegt, kehrt das System nach der Initialisierungsphase wieder zum normalen Betrieb zurück. |
| – |
Unterspannung Im Falle einer Unterspannung (unter 9,3 V) wird die ABS-Steuerung blockiert und die Warnleuchte leuchtet auf. Wenn die Spannung sich wieder innerhalb des Betriebsbereichs befindet, wird die Warnleuchte ausgeschaltet und das ECU kehrt wieder zu normalem Betrieb zurück. |
berprüfung des Pumpenmotors
Das ECU führt bei einer Geschwindigkeit von 30km/h eine Prüfung des Pumpenmotors durch, nachdem die Zündung eingeschaltet wurde.
Diagnose-Schnittstelle
Fehler, die durch das ECU entdeckt werden, werden vom ECU verschlüsselt, in einem EEPROM gespeichert und von einem Diagnosegerät ausgelesen, wenn die Zündung eingeschaltet wird.
Die Diagnose-Schnittstelle kann verwendet werden, um das ECU während der Fertigung des ECUs zu prüfen und um das HCU zu betätigen (Entlüftungsleitung oder Rollen- und Bremsenprüfleitung).
WARNLEUCHTENMODUL

| 1. |
ABS-WARNLEUCHTE Die eingeschaltete ABS-Warnleuchte weist auf eine Selbstprüfung sowie auf einen ABS-Fehlerzustand hin. Die ABS-Warnleuchte ist eingeschaltet:
|
| 2. |
EBD-/Feststellbremsen-Warnleuchte Die aktive EBD-Warnleuchte weist auf eine Selbstprüfung sowie auf einen EBD-Fehlerzustand hin. Wenn allerdings der Feststellbremsschalter eingeschaltet ist, leuchtet die EBD-Warnleuchte stets auf, ungeachtet des Betriebszustands des EBD-Systems. Die EBD-Warnleuchte ist eingeschaltet:
|
| ABS-STEUERUNG |
| 1. |
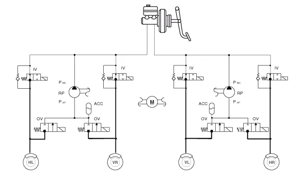
NORMALES BREMSEN ohne ABS
|
| 2. |
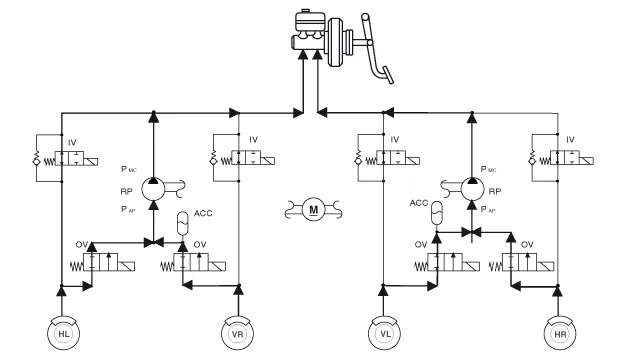
VERZÖGERUNGSMODUS
|
| 3. |
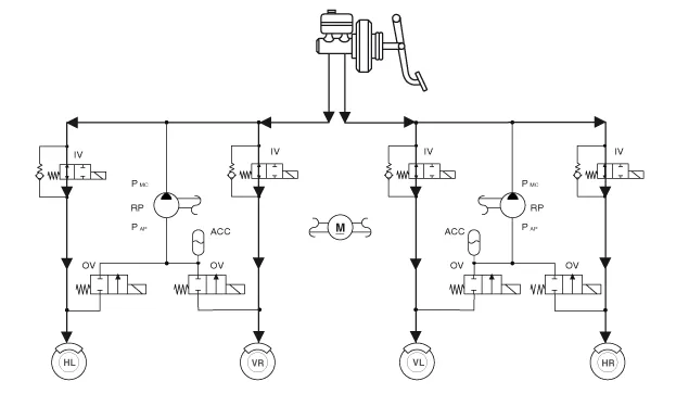
Haltemodus
|
| 4. |
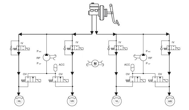
Druck aufbauen
|
Bauteile und bauteile-Übersicht BAUTEILE-ÜBERSICHT 1. Feststellbremshebel 2. Equalizer 3. Hinterer Feststellbremsenseilzug Reparaturverfahren Ausbau Die Parkbremsseile müssen weder verbogen noch verzert sein.
Bauteile und bauteile-Übersicht BAUTEILE-ÜBERSICHT 1. ABS-Steuermodulstecker 2. ABS-Steuergerät 3. ABS-Halterung Reparaturverfahren Ausbau 1.
Reparaturverfahren PRÜFUNG Überprüfung des Kombischalters 1. In den einzelnen Schalterpositionen zwischen den Klemmen wie unten gezeigt auf Durchgang prüfen. HECKSCHEIBENWISCHER- & WASCHERSCHALTER (Linkslenkung) (Rechtslenkung) Prüfung (mit KDS/GDS) 1
Allgemeine sicherheitsinformationen und vorsichtshinweise ANWEISUNGEN UMGANG MIT KÄLTEMITTEL 1. R-134a ist ein hochgradig flüchtiges Kältemittel. Ein Tropfen auf der Haut kann zu partiellen Erfrierungen führen. Beim Umgang mit Kältemittel stets Schutzhandschuhe tragen.