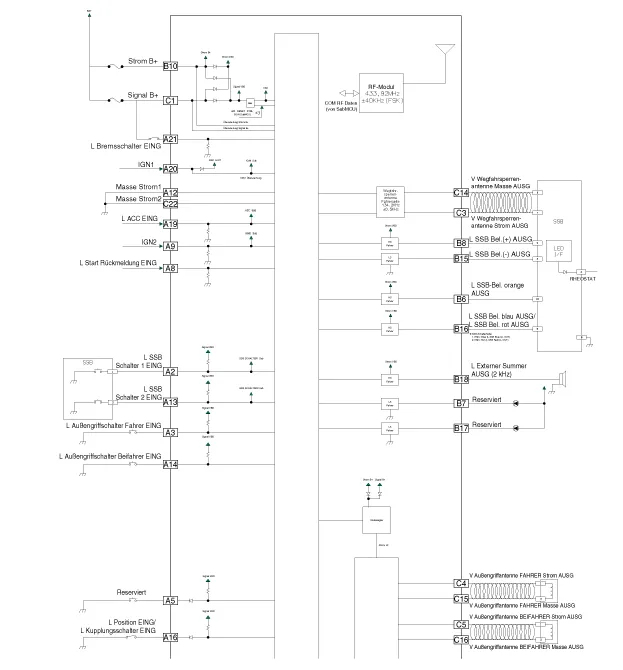
| BAUTEILE-ÜBERSICHT |

BELEGUNG DER STECKERKLEMMEN
|
Nr. |
STECKER A |
STECKER B |
STECKER C |
|
1 |
- |
ZÜNDUNG 2-Relaisausgang |
Battery (+)_signal |
|
2 |
SSB switch1 signal_input |
P-CAN (Low) |
- |
|
3 |
Driver door outside handle switch_input |
P-CAN (High) |
Immobilizer antenna (Power)_output |
|
4 |
- |
C-CAN [High] |
Driver outside handle antenna (Power)_output |
|
5 |
- |
C-CAN [Low] |
Passenger outside handle antenna (Power)_output |
|
6 |
- |
SSB Amber illumination_output |
Bumper antenna (Power)_output |
|
7 |
RPM signal_input |
- |
Interior antenna 1 (Power)_output |
|
8 |
Start signal feedback_input |
SSB Illumination (-)_output |
Interior antenna 2 (Power)_output |
|
9 |
IGN2 |
Ausgangssignal ESCL aktivieren |
- |
|
10 |
- |
Batterie (+) (Strom) |
- |
|
11 |
Ausgangssignal Starterrelais |
ZÜNDUNG 1-Relaisausgang |
- |
|
12 |
Masse_Strom1 |
ESCL (COM) |
- |
|
13 |
SSB switch2 signal_input |
EMS (COM) |
ESCL_Ground (-)_output |
|
14 |
Assist door outside handle switch_input |
- |
Immobilizer antenna (Ground)_output |
|
15 |
- |
SSB Illumination (-)_output |
Driver outside handle antenna (Ground)_output |
|
16 |
AT : "P" Positon_input MT : Clutch switch_input |
SSB Illumination (Blue)_output SSB Illumination (Red)_output |
Passenger outside handle antenna (Ground)_output |
|
17 |
ESCL Unlock switch_input |
- |
Bumper antenna (Ground)_output |
|
18 |
Raddrehzahlsensoreingang |
Exterior buzzer_output |
Interior antenna 1 (Ground)_output |
|
19 |
ACC signal_input |
- |
Interior antenna 2 (Ground)_output |
|
20 |
IGN1 |
ESCL (-)_output |
- |
|
21 |
Eingang Bremsschalter |
|
- |
|
22 |
Klimaanlagen-Relaisausgang |
Masse_Strom2 |
| Schaltplan |


| Ausbau |
Handschuhe tragen, um Handverletzungen zu vermeiden. |
|
Smart Key-Einheit
| 1. |
Batteriemassekabel abklemmen. |
| 2. |
Handschuhfach ausbauen. (Siehe Karosserie - "Handschuhfach") |
| 3. |
Steckverbinder (A) der Smartkey-Einheit abziehen.
|
| 4. |
Befestigungsmuttern lösen, dann Smartkey-Einheit (A) ausbauen.
|
Innenraum 1 Antenne
| 1. |
Batteriemassekabel abklemmen. |
| 2. |
Bodenkonsole ausbauen. (Siehe Kapitel Karosserie - "Bodenkonsole") |
| 3. |
Befestigungsschrauben und muttern lösen, Steckverbinder abziehen und Innenantenne 1 (A) ausbauen.
|
Innenraum 2 Antenne
| 1. |
Batteriemassekabel abklemmen. |
| 2. |
Bauen Sie die Rücksitzbank aus. (Siehe Karosserie - "Rücksitz") |
| 3. |
Befestigungsmuttern lösen und Steckverbinder abziehen, dann Innenraumantenne 2 (A) entfernen.
|
Hintere Stoßfängerantenne
| 1. |
Batteriemassekabel abklemmen. |
| 2. |
Den hinteren Stoßfänger ausbauen. (Siehe Karosserie - "Hinterer Stoßfänger") |
| 3. |
Befestigungsschrauben lösen und Steckverbinder abziehen, dann hintere Stoßfängerantenne (A) entfernen.
|
WARNTON
| 1. |
Batteriemassekabel abklemmen. |
| 2. |
Radkasten vorne links ausbauen. (Siehe Karosserie - "Vorderer Radkasten") |
| 3. |
Nach Abziehen des Steckverbinders den Summer (A) ausbauen.
|
Türaußengriff
| 1. |
Batteriemassekabel abklemmen. |
| 2. |
Außentürgriff ausbauen. (Siehe Karosserie - "Vordertür-Außengriff")
|
Schalter Heckklappe offen
| 1. |
Batteriemassekabel abklemmen. |
| 2. |
Heckklappenverkleidung abbauen. (Siehe Karosserie - "Heckklappenverkleidung") |
| 3. |
Steckverbinder (A) des Heckklappen-Außengriffs abtrennen.
|
| 4. |
Befestigungsmuttern lösen, dann Heckklappenaußengriff (A) entfernen.
|
| 5. |
Steckverbinder (A) des Schalters zum Öffnen der Heckklappe abziehen. |
| 6. |
Befestigungsschrauben lösen, dann Heckklappen-Öffnungsschalter (B) entfernen.
|
| PRÜFUNG |
Smart Key-Einheit
(Siehe Smartkey-System - "Smartkey-Diagnose")
Schalter Smart Key
(Siehe Smartkey-System - "Smartkey-Diagnose")
ANTENNE
(Siehe Smartkey-System - "Smartkey-Diagnose")
Türaußengriff
| 1. |
Steckverbinder des Vordertür-Außengriffs (A) abziehen.
|
| 2. |
Zwischen den Klemmen Nr. 2 und Nr. 4 auf Durchgang prüfen.
|
Schalter Heckklappe offen
| 1. |
Zwischen den Klemmen des Heckklappen-Öffnungsschalters auf Durchgang prüfen.
|
| 2. |
Wenn die Durchgangsmessung nicht der Spezifikation entspricht, den Schalter Überprüfen..
|
| Einbau |
Smart Key-Einheit
| 1. |
Steckverbinder anschließen, dann Smartkey-Einheit einbauen. |
| 2. |
Handschuhfach einbauen. |
| 3. |
Minuspol (-) der Batterie anschließen und Smart-Key-System prüfen. |
Innenraum 1 Antenne
| 1. |
Innenraum 1 Antenne einbauen. |
| 2. |
Bodenkonsole einbauen. |
| 3. |
Minuspol (-) der Batterie anschließen und Smart-Key-System prüfen. |
Innenraum 2 Antenne
| 1. |
Innenraum 2 Antenne einbauen. |
| 2. |
Rücksitzpolstereinheit einbauen. |
| 3. |
Minuspol (-) der Batterie anschließen und Smart-Key-System prüfen. |
Hintere Stoßfängerantenne
| 1. |
Hintere Stoßfängerantenne einbauen. |
| 2. |
Hinteren Stoßfänger montieren. |
| 3. |
Minuspol (-) der Batterie anschließen und Smart-Key-System prüfen. |
WARNTON
| 1. |
Summer einbauen. |
| 2. |
Radkasten vorne links einbauen. |
| 3. |
Minuspol (-) der Batterie anschließen und Smart-Key-System prüfen. |
Türaußengriff
| 1. |
Vordertüraußengriff einbauen. |
| 2. |
Minuspol (-) der Batterie anschließen und Smart-Key-System prüfen. |
Schalter Heckklappe offen
| 1. |
Steckverbinder wieder anschließen und Heckklappen-Öffnungsschalter einbauen. |
| 2. |
Außengriff der Heckklappe einbauen. |
| 3. |
Steckverbinder des Heckklappen-Außengriffs anschließen. |
| 4. |
Heckklappenverkleidung einbauen. |
| 5. |
Minuspol (-) der Batterie anschließen und Smart-Key-System prüfen. |
Reparaturverfahren Smart Key Speichern des Smart-Key-Codes 1. Das KDS/GDS an den Diagnosestecker (16P) unter der Armaturenbrettabdeckung auf der Fahrerseite anschließen und einschalten.
Reparaturverfahren PRÜFUNG Selbstdiagnose mit dem Scan-Tool Mit dem KDS/GDS können Defekte am SMART KEY-System schnell erkannt werden.
Reparaturverfahren PRÜFUNG Überprüfung des Kombischalters 1. In den einzelnen Schalterpositionen zwischen den Klemmen wie unten gezeigt auf Durchgang prüfen. HECKSCHEIBENWISCHER- & WASCHERSCHALTER (Linkslenkung) (Rechtslenkung) Prüfung (mit KDS/GDS) 1
Bauteile und bauteile-Übersicht BAUTEILE-ÜBERSICHT 1. Deckel 2. Mutter 3. Wischerarm und Wischerblatt 4. Obere Windlaufabdeckung 5. Schraube 6. Wischermotor und Wischergestänge 7. Wischermotor-Steckverbinder Reparaturverfahren Ausbau 1.