| BAUTEILE-ÜBERSICHT |

| 1. Fernbedienungsschalter links
(Audio + Freisprecheinlage + Sprache) |
2. Fernbedienungsschalter rechts
(Tempomat + Bordcomputer) |
| Schaltplan |

| [Audio] |

| [Audio + Bluetooth] |

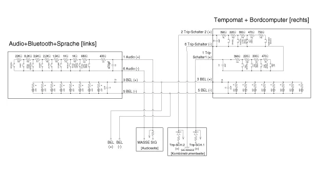
| [Audio + Bluetooth + Sprache] |

| [Tageskilometerzähler (2 Tasten) + SEG LCD Cluster] |

| [Tageskilometerzähler (2 Tasten) + ACC] |

| [Tageskilometerzähler (2 Tasten) + ACC + SLD] |

| [Tageskilometerzähler (4 Tasten) + DOT und TFT LCD Kombiinstrument] |

| [Tageskilometerzähler (4 Tasten) + ACC] |

| [Tageskilometerzähler (4 Tasten) + ACC + SLD] |

| Ausbau |
| 1. |
Batteriemassekabel abklemmen. |
| 2. |
Lenkrad ausbauen. (Siehe Lenkung - "Lenkrad") |
| 3. |
Befestigungsschrauben lösen und dann Lenkradfernbedienung (A) entfernen. (LINKS)
(RECHTS)
|
| 4. |
Steckverbinder (A) der Lenkradfernbedienung abziehen. (LINKS)
(RECHTS)
|
| Einbau |
| 1. |
Steckverbinder der Lenkradfernbedienung anschließen. |
| 2. |
Lenkradfernbedienung einbauen. |
| 3. |
Lenkrad und Fahrerairbagmodul anbringen. |
| 4. |
Minuspol (-) der Batterie anschließen. |
| PRÜFUNG |
| 1. |
Auf Widerstand zwischen den Klemmen in jeder Schalterposition (links) prüfen.
[LH : Audio + Freisprecheinlage + Sprache]
|
| 2. |
Auf Widerstand zwischen den Klemmen in jeder Schalterposition (rechts) prüfen.
[RH : Tempomat + Tageskilometerzähler]
|
Bauteile und bauteile-Übersicht BAUTEILE-ÜBERSICHT [Dachantenne (Radio+GPS/GNSS+DAB+GSM)] Reparaturverfahren Ausbau DACHANTENNE 1.
Schematische darstellungen Schaltplan Beschreibung und bedienung Beschreibung Der Multimedia-Anschluss an der oberen Konsolenabdeckung ist für Kunden gedacht, die Musik von externen, tragbaren Abspielgeräten wie MP3-Playern usw.
Reparaturverfahren PRÜFUNG 1. Waschwasserbehälter mit Wasser füllen (die Waschwasserpumpe muss dabei an den Behälter angebaut sein). Vor dem Auffüllen des Behälters mit Wasser prüfen, ob der Filter mit Fremdk
Bauteile und bauteile-Übersicht BAUTEILE-ÜBERSICHT 1. Wischerarm & Wischerblatt 2. Wischer- & Wascherschalter 3. Schlauch und Düse der Windschutzscheiben-Waschanlage 4. Wischermotor & Wischergestänge 5.