| BAUTEILE-ÜBERSICHT |

| 1. Schiebedach 2. Schiebedachschalter |
3. Schiebedachmotor & Steuerung
|
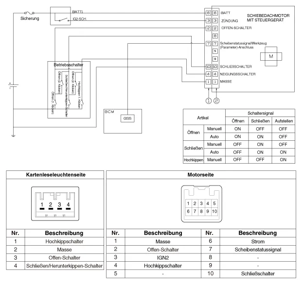
| Schaltplan |

Reparaturverfahren PRÜFUNG Selbstdiagnose mit dem Scan-Tool Mit dem KDS/GDS können Defekte am SMART KEY-System schnell erkannt werden.
Bauteile und bauteile-Übersicht BAUTEILE-ÜBERSICHT Reparaturverfahren PRÜFUNG 1. Batteriemassekabel abklemmen.
Bauteile und bauteile-Übersicht BAUTEILE-ÜBERSICHT 1. Hupenschalter 2. Hupenrelais 3. Hupe 4. Wickelfeder Reparaturverfahren Ausbau 1. Batteriemassekabel abklemmen. 2.
Reparaturverfahren Smart Key Speichern des Smart-Key-Codes 1. Das KDS/GDS an den Diagnosestecker (16P) unter der Armaturenbrettabdeckung auf der Fahrerseite anschließen und einschalten. 2. Erst das Fahrzeugmodell und danach die Funktion 'Speichern des Smart-Key-Codes'