Kia Picanto (JA): Anzeiger und messuhren / Instrumentenblock

Bauteile und bauteile-Übersicht

BAUTEILE-ÜBERSICHT
[Standardtyp (2,6")]

[Supervision-Typ (2,6")]

BELEGUNG DER STECKERKLEMMEN

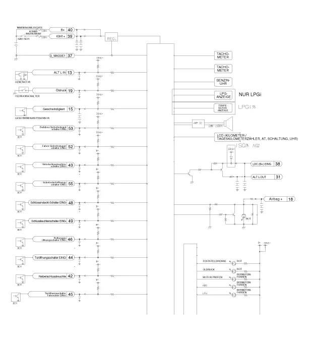
STECKER A


Nr.
Beschreibung
Nr.
Beschreibung
1
Masse
21
Trip-Schalter (-)
2
Beleuchtung (-)
22
Trip-Schalter 1 (+)
3
M/T (Position 'R')
23
Trip-Schalter 2 (+)
4
-
24
Turn signal lamp (Right)_Input
5
Raste
25
Turn signal lamp (Left)_Input
6
-
26
Abblendlicht (+)_Eingang
7
-
27
Fernlicht (+)_Eingang
8
-
28
Bremsölschalter_Eingang
9
-
29
Body-CAN (Low)
10
-
30
Body-CAN (High)
11
Wegfahrsperreneingang
31
Alternator_Output
12
Ausgang Fahrzeuggeschwindigkeitssensor
32
Fahrwerk CAN [High]
13
Generatoreingang
33
Fahrwerk CAN [Low]
14
Eingangssignal Tankgeber (-)
34
Outside temp_Input
15
Eingang für Fahrzeuggeschwindigkeit
35
FFV 5V (+)_Output
LPI Fuel_Input
16
Eingangssignal Tankgeber (-)
36
-
17
Eingang, Feststellbremsenschalter
37
Masse
18
AIR BAG (+)_Input
38
LDC Battery (+)_Input
19
Oil press switch_Input
39
IGN1
20
Eingangssignal Schlussleuchte
40
Batterie (+)

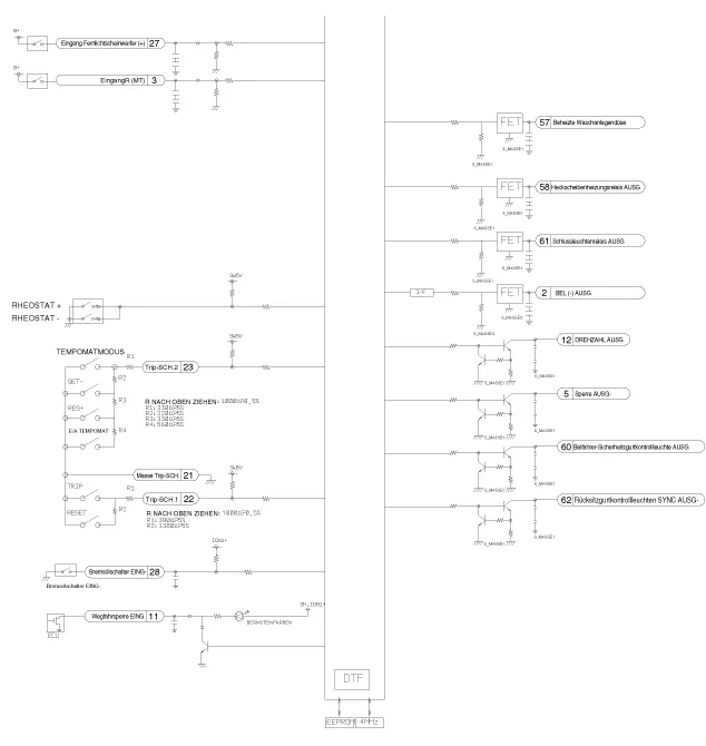
STECKER B


Nr.
Beschreibung
Nr.
Beschreibung
1
Front fog lamp (+)_Input
13
Assist seat belt switch (-)_Input
2
Rear fog lamp (+)_Input
14
Assist seat mat switch (-)_Input
3
Rear fog switch (-)_Input
15
Schiebedachöffnungsschalter (-)_Eingang
4
Door open switch (-)_Input
16
Masse
5
Driver side door open switch (-)_Input
17
-
6
Trunk open switch (-)_Input
18
Rear defogger relay (-)_Output
7
Hood open switch (-)_Input
19
Vorderes Defrosterrelais (-)_Ausgang
8
Key in switch (-)_Input
20
Assist seat belt indicator (-)_Output
9
Tail lamp switch (-)_Input
21
Tail lamp relay (-)_Output
10
Rear defogger switch (-)_Input
22
Rear SBR Indicator SYNC(-)_Output
11
Rear SBR buzzer (-)_Input
23
Schlüssel abgezogen_Eingang
12
Driver seat belt switch (-)_Input
24
-

Schematische darstellungen

Schaltplan
[Allgemeiner Sollwert]

[Allgemeine Überwachung]

Beschreibung und bedienung

Beschreibung

Diagramm des Kommunikationsnetzwerks

ABKÜRZUNG
ERKLÄRUNG
ABS
Antiblockiersystem
ACU
Airbag-Steuereinheit
AEB
Autonome Notfallbremse
B-CAN
Karosserie CAN (Controller Area Network)
BCM
Karosserie-Steuermodul
C-CAN
Fahrwerk CAN (Controller Area Network)
KUP
Kombiinstrument-Modul
DATC
Duale automatische Temperatursteuerung
os.
Motormanagementsystem
ESC
Elektronisches Steuergerät
EVP
EVA-Unterdruckpumpe
I-BOX
Telematik-System
LPI
Flüssiggaseinspritzung
H_U
Haupteinheit (Audio / AVN)
M_CAN
Multimedia CAN (Controller Area Network)
MDPS
Motorbetriebene Servolenkung
PGS
Einparkhilfesystem
SLM
Gurtwarner und Beleuchtungsmodul
SMK
Smart Key-Einheit
TCU
Getriebe-Steuereinheit
TMU
Telematik-System
TPMS
Reifendruckwarnsystem

Variantencodierung des Kombiinstruments

Da das Fahrzeug über mehr Optionen (ESC, MDPS usw.) verfügt, bietet das Armaturenbrett zusätzliche Anzeigen für Informationen zu den gewählten Optionen.

Aus diesem Grund müssen wir beim Ersetzen des Armaturenbretts in Erfahrung bringen, über welche Optionen das Fahrzeug verfügt.

Beim Austausch des Armaturenbretts muss dementsprechend eine Programmierung durchgeführt werden, die sich damit befasst, welche Optionen für das jeweilige Fahrzeug benötigt werden.

Dies wird als Variantencodierung bezeichnet.

Reparaturverfahren

Ausbau
  

Handschuhe anziehen, um die Hände zu schützen.

Zum Ausbau Schraubendreher oder Abzieher mit Klebeband umwickeln, damit keine Komponenten beschädigt werden.

1.

Batteriemassekabel abklemmen.

2.

Instrumententafelblende ausbauen.

(Siehe Karosserie - "Kombiinstrumentblende")

3.

Befestigungsschrauben lösen, dann Kombiinstrument (A) ausbauen.

4.

Kombiinstrument-Steckverbinder (A) abziehen, dann Kombiinstrument ausbauen.

Einbau
1.

Nach Anschließen der Kombiinstrument-Steckverbinder das Kombiinstrument einbauen.

2.

Instrumententafelblende einsetzen.

3.

Minuspol (-) der Batterie anschließen.

  

Nach dem Austausch des Kombiinstruments muss eine Variantencodierung durchgeführt werden.

PRÜFUNG
1.

Prüfpunkt (Kontrollleuchte)

  

Für Einzelheiten zu Fehlerbedingungen und Betriebsbedingungen siehe die Betriebsanleitung.

NEIN
Referenzsymbol
BEZEICHNUNG
Farbe
Signaleingang
Signalsteuerung
Prüfpunkt
1

Blinker (links)
GRÜN
CAN
BCM
(Gateway)
1)

Multifunktionsschalter

2)

BCM

3)

CANFehlfunktion

2

Blinker (rechts)
GRÜN
CAN
BCM
(Gateway)
1)

Multifunktionsschalter

2)

BCM

3)

CANFehlfunktion

3

Schlussleuchte
GRÜN
CAN
BCM
(Gateway)
1)

Multifunktionsschalter

2)

BCM

3)

CANFehlfunktion

4

VORN
NEBELSCHEINWERFER
GRÜN
CAN
BCM
(Gateway)
1)

Multifunktionsschalter

2)

BCM

3)

CANFehlfunktion

5

Nebelschlussleuchte
GELB
CAN
BCM
(Gateway)
1)

Multifunktionsschalter

2)

BCM

3)

CANFehlfunktion

6

ABBLENDLICHT
GRÜN
CAN
BCM
(Gateway)
1)

Multifunktionsschalter

2)

BCM

3)

CANFehlfunktion

7

Fernlicht
Blau
CAN
BCM
(Gateway)
1)

Multifunktionsschalter

2)

BCM

3)

CANFehlfunktion

8

Master-Symbol
GELB
CAN
BSD
1)

BSD-System

2)

CANFehlfunktion

TPMS
1)

TPMS-System

2)

CANFehlfunktion

BCM
1)

Außenbeleuchtung

2)

BCM

3)

CANFehlfunktion

Fest verdrahtet
Tankgeber
1)

Störung Tankgeber

2)

Störung Verkabelung

WASCHANLAGE NIEDRIG
1)

Waschflüssigkeitsstandsensor

2)

Störung Verkabelung

DIGITALER EINGANG
Serviceintervallwarnung
9

Batterie laden
Rot
CAN
ECM
1)

Ladesystem

2)

CANFehlfunktion

10

LDRUCK
Rot
Fest verdrahtet
ECM
1)

ECM-System

2)

Fest verdrahtet

3)

CANFehlfunktion

11

Motor prüfen
GELB
CAN
ECM
1)

ECM-System

2)

CANFehlfunktion

12

Wegfahrsperre
GELB
CAN
BCM
(Gateway)
1)

SMK System

2)

BCM

3)

CANFehlfunktion

4)

Fest verdrahtet

13

Feststellbremse
Bremsflüssigkeit
EBD
EPB
Rot
CAN
BCM
(Gateway)
EBD
EPB
ABS
TCS
1)

BCM

2)

ABS-SYSTEM

3)

EPB-System

4)

CANFehlfunktion

5)

Feststellbremsenschalter

6)

Bremsflüssigkeit-Füllstandsensor.

14

ABS
GELB
CAN
ABS
1)

ABS-SYSTEM

2)

CANFehlfunktion

15

ESC
GELB
CAN
TCS
1)

ABS-SYSTEM

2)

CANFehlfunktion

16

ESC OFF
GELB
CAN
TCS
1)

ABS-SYSTEM

2)

CANFehlfunktion

17

Sicherheitsgurt
Rot
CAN
BCM
(Gateway)
1)

BCM

2)

CANFehlfunktion

18

AIRBAG
Rot
CAN
SRSCM
1)

SRSCM-System

2)

CANFehlfunktion

19

EPS
[MDPS]
Rot
CAN
MDPS
1)

MDPS-Einheit

2)

MDPS-Motor

3)

CANFehlfunktion

20

TPMS
GELB
CAN
TPMS
1)

TPMS-System

2)

TPMS-Sensor

3)

CANFehlfunktion

21

Kraftstoffwarnzeitschaltuhr
GELB
Direkt
(Micom)
Kraftstoffsegment
1)

Störung Tankgeber

2)

Störung Verkabelung

22

Tür öffnen
Rot
CAN
BCM
(Gateway)
1)

BCM

2)

CANFehlfunktion

3)

Türsensor/-schalter

23

KOFFERRAUM OFFEN
GELB
CAN
BCM
(Gateway)
1)

BCM

2)

CANFehlfunktion

24

ECO
GRÜN
Fest verdrahtet
Eco-Modus
1)

ECM-System

2)

CANFehlfunktion

25

SPORT
GELB
Fest verdrahtet
Sport-Modus
1)

ECM-System

2)

CANFehlfunktion

26

CRUISE
GRÜN
CAN
ECM
1)

ECM-System

2)

CANFehlfunktion

27

SET
GRÜN
CAN
ECM
1)

ECM-System

2)

CANFehlfunktion

28

AEB
GELB
CAN
SCC
1)

AEB-System

2)

CANFehlfunktion

29

Kühlmittel
Temperatur
Rot
CAN
os.
1)

EMS-System

2)

CANFehlfunktion

30

Automatischer Halt
GRÜN
GELB
CAN
ECM
1)

ECM

2)

CANFehlfunktion

31

LPI
GRÜN
CAN
LPI
1)

LPI-System

2)

CANFehlfunktion


2.

Prüfpunkt (Messgerät)

NEIN
BEZEICHNUNG
Signaleingang
Signalsteuerung
(Einheit / Sensor)
Prüfpunkt
1
TACHOMETER
C-CAN
ABS/ESC
1) ABS-System
2. Störung CAN-Leitung
2
DREHZAHLMESSER
C-CAN
ECM
1. ECM
2. Störung CAN-Leitung
3
Kühlmitteltemperatur
C-CAN
ECM
1. ECM
2. Störung CAN-Leitung
4
Kraftstoff
Hardwire
Tankgeber
1) Störung Tankgeber
2. Störung Verkabelung

Diagnose mit dem KDS/GDS

1.

Fehler in der Karosserieelektrik können mithilfe des Fahrzeugdiagnosesystems (KDS/GDS) schnell diagnostiziert werden.

Das Diagnosesystem (KDS/GDS) liefert die folgenden Informationen.

(1)

Selbstdiagnose: Defekt und Codenummer (DTC) überprüfen

(2)

Aktuelle Daten: Status der Ein-/Ausgangsdaten des Systems überprüfen

(3)

Stellgliedtest: Betriebsbedingung des Systems überprüfen

(4)

Zusatzfunktionen: Steuerung anderer Funktionen einschließlich Systemoptionseinstellungen und Nullpunkteinstellung

2.

'Fahrzeugmodell' und 'Kombiinstrumentmodul (CLU)' wählen, um das Fahrzeug mit dem Tester zu untersuchen

3.

Menü 'Momentane Daten" wählen, um den aktuellen Status der Ein-/Ausgangsdaten zu suchen.

4.

Den Eingangswert des zu prüfenden Moduls zwangsaktivieren; die Option 'Stellgliedtest' auswählen.

CLU Variantencodierung

Wird ein neues Kombiinstrument eingebaut, muss die "Variantencodierung" durchgeführt werden.

1.

Das KDS/GDS an den Diagnosestecker unter der Armaturenbrettabdeckung auf der Fahrerseite anschließen und einschalten.

2.

Modell und "BCM" wählen.

3.

Modus der Variantencodierung auswählen.

4.

Wenn beim Durchführen der Variantencodierung Fehlercodes gespeichert werden, den Einbaustatus des Kombiinstruments prüfen und danach die Variantencodierung noch einmal durchführen.

    Fehlersuche Fehlersuche Fehler Fehlersymptom ZU PRÜFENDE TEILE Detaillierte Überprüfungen Relevante Teile/ BAUTEILE-ÜBERSICHT Bildschirmdisplay LCD-Bildschirm wird nicht eingeschaltet 1) Steckverbinderanschlüsse 2) BAUTEILE-ÜBERSICHT 1) Steckverbinderanschlüsse überprüfen 2) Verkabelung von B+, IGN und GND überprüfen 3) Andere Komponenten prüfen.

    Technische daten SPEZIFIKATION Pos. SPEZIFIKATION STROMVERSORGUNG 3 V Betriebstemperatur -30 - 75 °C RF-Modulation FSK LF-Modulation ASK RF-Frequenz 433,92 MHz Nummer der Taste 3 FUNKTION Türverriegelung Türentriegelung HECKKLAPPE ENTRIEGELN Bauteile und bauteile-Übersicht BAUTEILE-ÜBERSICHT 1.

    Weitere Informationen:

    Kia Picanto (JA) Reparaturanleitung: Heckwaschanlagenmotor

    Reparaturverfahren PRÜFUNG 1. Waschwasserbehälter mit Wasser füllen (die Waschwasserpumpe muss dabei an den Behälter angebaut sein).    Vor dem Auffüllen des Behälters mit Wasser prüfen, ob der Filter mit Fremdk

    Kia Picanto (JA) Reparaturanleitung: Smart Key

    Reparaturverfahren Smart Key Speichern des Smart-Key-Codes 1. Das KDS/GDS an den Diagnosestecker (16P) unter der Armaturenbrettabdeckung auf der Fahrerseite anschließen und einschalten. 2. Erst das Fahrzeugmodell und danach die Funktion 'Speichern des Smart-Key-Codes'

    Kategorien

     
    Copyright © 2025 www.picantode.com - 0.0162