Kia Picanto (JA): Radaufhängung hinten / Hinterer Stoßdämpfer

Bauteile und bauteile-Übersicht

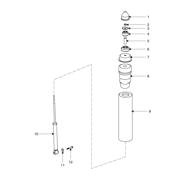
BAUTEILE-ÜBERSICHT

1. Abdeckung
2. Sicherungsmutter
3. Halter
4. Obere Buchse
5. Hülse
6. Untere Buchse
7. Obere Abdeckung
8. Stoßfängeranschlag
9. Staubschutz
10. Stoßdämpfer
11. Unterlegscheibe
12. Schraube

Reparaturverfahren

AUS- UND EINBAU
1.

Rad (A) abnehmen.

Anzugsdrehmoment.

107,9 ~ 127,5 Nm (11,0 ~ 13,0 kgm)

  

Hierbei darauf achten, dass die Radmuttern beim Abnehmen von Vorderrad und -reifen nicht beschädigt werden.

2.

Abdeckung des hinteren Stoßdämpfers ausbauen.

3.

Abdeckung des hinteren Stoßdämpfers ausbauen.

4.

Mutter am hinteren Stoßdämpfer mit Spezialwerkzeug (09453-3X100) entfernen.

Anzugsdrehmoment:

21,6 ~ 31,4 Nm (2,2 ~ 3,2 kgm)

5.

Schraube lösen und hinteren Stoßdämpfer ausbauen.

Anzugsdrehmoment.

98,0 ~ 117,6 Nm (10,0 ~ 12,0 kgm)

  

Den Rangierwagenheber unter dem Drehstab einrichten, um den Stoßdämpfer im unbelasteten Zustand zu entfernen.

6.

Der Einbau erfolgt in der umgekehrten Reihenfolge des Ausbaus.

PRÜFUNG
1.

Gummiteile auf Verschleiß und Alterung prüfen.

2.

Kolbenstange (A) niederdrücken und herausziehen und dabei auf ungleichmäßigen Widerstand und ungewöhnliche Geräuschentwicklung prüfen.

Behebung

1.

Kolbenstange vollständig herausziehen.

2.

Federbeinpatrone im Bereich "A" anbohren, um das Gas aus dem Zylinder entweichen zu lassen.

  

Das austretende Gas ist harmlos; es ist jedoch auf auf Späne zu achten, die beim Bohren aufgewirbelt werden könnten.

    Bauteile und bauteile-Übersicht BAUTEILE-ÜBERSICHT [Scheibentyp] 1. Drehstab 2. Bremsscheibe 3. Bremssattel [Trommeltyp] 1.

    Reparaturverfahren AUS- UND EINBAU 1. Rad (A) abnehmen. Anzugsdrehmoment. 107,9 ~ 127,5 Nm (11,0 ~ 13,0 kgm)    Hierbei darauf achten, dass die Radmuttern beim Abnehmen von Vorderrad und -reifen nicht beschädigt werden.

    Weitere Informationen:

    Kia Picanto (JA) Reparaturanleitung: Smart Key

    Reparaturverfahren Smart Key Speichern des Smart-Key-Codes 1. Das KDS/GDS an den Diagnosestecker (16P) unter der Armaturenbrettabdeckung auf der Fahrerseite anschließen und einschalten. 2. Erst das Fahrzeugmodell und danach die Funktion 'Speichern des Smart-Key-Codes'

    Kia Picanto (JA) Reparaturanleitung: Mosfet-Transistor

    Reparaturverfahren PRÜFUNG 1. Zündung "EIN" 2. Den Schalter von Hand betätigen und die Spannung des Gebläsemotors messen. 3. Schalter betätigen und die Spannung erhöhen, bis das Relais schaltet (maximale Gebläsegeschwindigkeit)

    Kategorien

     
    Copyright © 2026 www.picantode.com - 0.022