| BAUTEILE-ÜBERSICHT |

| 1. Fernbedienungsschalter links
(Audio + Freisprecheinlage + Sprache) |
2. Fernbedienungsschalter rechts
(Tempomat + Bordcomputer) |
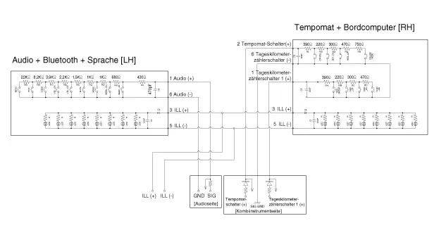
| Schaltplan |

| [Audio] |

| [Audio + Bluetooth] |

| [Audio + Bluetooth + Sprache] |

| [Tageskilometerzähler (2 Tasten) + SEG LCD Cluster] |

| [Tageskilometerzähler (2 Tasten) + ACC + Tempomat] |

| [Tageskilometerzähler (2 Tasten) + ACC + Tempomat + SLD] |

| [Tageskilometerzähler (4 Tasten) + DOT und TFT LCD Kombiinstrument] |

| [Tageskilometerzähler (4 Tasten) + ACC + Tempomat] |

| [Tageskilometerzähler (4 Tasten) + ACC + Tempomat + SLD] |

| Ausbau |
| 1. |
Batteriemassekabel abklemmen. |
| 2. |
Lenkrad ausbauen. (Siehe Lenkung - "Lenkrad") |
| 3. |
Befestigungsschrauben lösen und dann Lenkradfernbedienung (A) entfernen. (LINKS)
(RECHTS)
|
| 4. |
Steckverbinder (A) der Lenkradfernbedienung abziehen. (LINKS)
(RECHTS)
|
| Einbau |
| 1. |
Steckverbinder der Lenkradfernbedienung anschließen. |
| 2. |
Lenkradfernbedienung einbauen. |
| 3. |
Lenkrad und Fahrerairbagmodul anbringen. |
| 4. |
Minuspol (-) der Batterie anschließen. |
| PRÜFUNG |
| 1. |
Auf Widerstand zwischen den Klemmen in jeder Schalterposition (links) prüfen.
[LH : Audio + Freisprecheinlage + Sprache]
|
| 2. |
Auf Widerstand zwischen den Klemmen in jeder Schalterposition (rechts) prüfen.
[RH : Tempomat + Tageskilometerzähler]
|
Bauteile und bauteile-Übersicht BAUTEILE-ÜBERSICHT [Dachantenne (Radio)] [Dachantenne (Radio+GPS/GNSS+DAB+GSM)] Reparaturverfahren Ausbau DACHANTENNE 1.
Schematische darstellungen Schaltplan Beschreibung und bedienung Beschreibung Der Multimedia-Anschluss an der oberen Konsolenabdeckung ist für Kunden gedacht, die Musik von externen, tragbaren Abspielgeräten wie MP3-Playern usw.
Reparaturverfahren PRÜFUNG Selbstdiagnose mit dem Scan-Tool Mit dem KDS/GDS können Defekte am SMART KEY-System schnell erkannt werden. Das KDS/GDS kann den Stellantrieb mit Gewalt betätigen, den Eingabe-/Ausgabewert überwachen und die Selbstdiagnose durchführen.
Bauteile und bauteile-Übersicht BAUTEILE-ÜBERSICHT 1. Deckel 2. Mutter 3. Wischerarm und Wischerblatt 4. Obere Windlaufabdeckung 5. Schraube 6. Wischermotor und Wischergestänge 7. Wischermotor-Steckverbinder Reparaturverfahren Ausbau 1.