| BAUTEILE-ÜBERSICHT |

| 1. Sitzheizungseinheit 2. Vordersitzlehnenheizung |
3. Vordersitzpolsterheizung
|
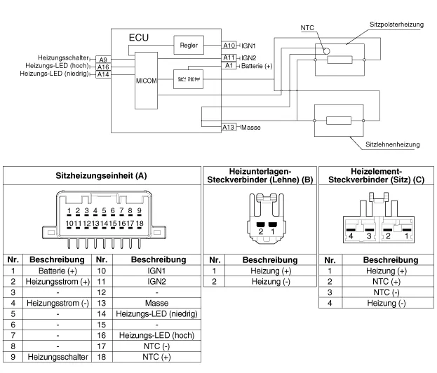
| Schaltplan |

| PRÜFUNG |
| 1. |
Auf Durchgang prüfen und den Widerstand zwischen Klemme Nr. 1 und Nr. 4 messen.
|
| 2. |
Die Sitzheizung nach dem Einstecken des Steckverbinders einschalten und dann den Thermostat durch Messung des Sitzflächentemperatur überprüfen.
|
| Ausbau |
| 1. |
Batteriemassekabel abklemmen. |
| 2. |
Vordersitz ausbauen. (Siehe Kapitel Karosserie - "Vordersitz") |
| 3. |
Steckverbinder (A) der Sitzheizungseinheit abziehen.
|
| 4. |
Befestigungsschrauben lösen, dann Sitzgurtheizungseinheit (A) entfernen.
|
| Einbau |
| 1. |
Sitzheizung einbauen und Steckverbinder anschließen. |
| 2. |
Vordersitz einbauen. |
| 3. |
Minuspol (-) der Batterie anschließen. |
Bauteile und bauteile-Übersicht BAUTEILE-ÜBERSICHT 1. Sitzheizungsschalter Fahrerseite 2. Sitzheizungsschalter Beifahrerseite Schematische darstellungen Schaltplan Reparaturverfahren Ausbau 1.
Bauteile und bauteile-Übersicht BAUTEILE-ÜBERSICHT Reparaturverfahren AUS- UND EINBAU 1. Kältemittel aus dem System ablassen. 2. Fehlerhafte Leitungen oder Schläuche ersetzen.
Reparaturverfahren PRÜFUNG 1. B+ an den Gebläsemotor anklemmen und prüfen, ob sich der Motor ordnungsgemäß dreht. 2. Wenn die Gebläsemotorspannung nicht vorschriftsgemäß ist, durch einen nachweislich einwandfreien Motor ersetzen und auf ordnungsgemäße Funktion prü