Kia Picanto (JA): Automatische Lichtsteuerung (AUTO-Licht) / Karosserie-steuermodul (BCM)

Technische daten

Technische Daten
[Typ-BCM]

Bauteil
Technische Daten
Nennspannung
Gleichstrom 12 V
Betriebsspannung
Gleichstrom 9 ~ 16 V
Betriebstemperatur
(-35 - 75°C)
RUHESTROM
SMK : 3 mA / Schlüsselloser Zugang: 3,5mA

[Ausführung ohne BCM (Gurtwarner und Beleuchtungseinheit)]

Bauteil
Technische Daten
Nennspannung
Gleichstrom 12 V
Betriebsspannung
Gleichstrom 9 ~ 16 V
Betriebstemperatur
(-30 - 75°C)
RUHESTROM
1,5 mA

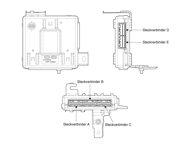
Bauteile und bauteile-Übersicht

BAUTEILE-ÜBERSICHT
[Typ-BCM]

(Linkslenkung)

(Rechtslenkung)

BELEGUNG DER STECKERKLEMMEN

Nr.
STECKER A
Steckverbinder B
Steckverbinder C
Steckverbinder D
Steckverbinder E
1
Batterie (+)
Türkontaktschalter hinten rechts
-
Navi-Aktivierung
-
2
-
Fensterheber-Verriegelungsschalter Fahrerseite
-
Automatische Abschaltung der Innenraumleuchte_Masse
-
3
-
Fensterheber-Entriegelungsschalter Fahrerseite
-
-
-
4
Auto-Lichtsensor
-
Türverriegelungsrelais
Sirenenrelais
-
5
STROMVERSORGUNG AUTOM. BELEUCHTUNG
-
Dediziertes Tagfahrlicht
Lichthupenschalter
-
6
B-CAN (High)
Schalter Heckklappe offen
Nebelscheinwerferrelais
-
Blinkerleuchtenstrom1
7
B-CAN (Low)
-
-
Sicherheitsfensterheber Aktivierung
Blinkersignal hinten links
8
Aufprallsignal
-
-
-
Blinkersignal hinten rechts
9
-
-
SICHERHEITSANZEIGE
Scheinwerferrelais (Abblendlicht)
Blinkersignal vorne links
10
-
-
-
Schlussleuchtenrelais
Signal Blinkerleuchte vorne rechts
11
Beifahrertürentriegelungsschalter
-
-
AV-Schlussleuchte
-
12
IGN1
Türkontaktschalter hinten links
Heckklappen-Entriegelungsrelais
Scheinwerfer-Fernlichtrelais
NEBELSCHEINWERFERSCHALTER
13
-
Schalter für Beifahrertür öffnen
Türentriegelungsrelais
-
Scheinwerfer-Fernlichtschalter
14
-
Fahrertür offen-Schalter
Fensterheberrelais
Startsperrenrelais
Scheinwerferschalter (Abblendlicht)
15
-
Türentriegelungsschalter hinten links
Nebelschlussleuchtenrelais
-
Auto-Lichtschalter
16
-
Türentriegelungsschalter hinten rechts
MASSE AUTOM. BELEUCHTUNG
LED-Blinkerleuchte defekt
Blinkerleuchtenstrom2
17
ACC
Heckklappenfreigabeschalter
Strom RPAS
-
-
18
IGN2
WARNBLINKSCHALTER
-
Blinkerschalter rechts
-
19
SCHLÜSSEL STECKT-SCHALTER
-
PAS-Strom (IGN1)
Blinkerschalter links
-
20
Standlichtschalter
Schiebedachkontaktschalter
-
Nebelschlussleuchtenschalter
Innenraumleuchte
21
FAHRERTÜR-ENTRIEGELUNGSSCHALTER
LIN
(RPAS)



22
Masse (Stromversorgung)
Masse

[Ausführung ohne BCM (Gurtwarner und Beleuchtungseinheit)]

BELEGUNG DER STECKERKLEMMEN

Nr.
STECKER A
Steckverbinder B
1
Batterie (+)
B-CAN (High)
2
IGN2
B-CAN (Low)
3
Standlichtschalter
Sicherheitsgurtanzeige hinten Mitte
4
Nebelscheinwerferschalter
Schalter Sicherheitsgurt hinten links
5
- (Warnblinkanlagenschalter)
- (Relais)
6
- (Blinkerleuchtenschalter links)
Nebelscheinwerferrelais
7
Auto-Lichtschalter
Dediziertes Tagfahrlicht
8
SBR-Schalter hinten rechts
Scheinwerferrelais (Abblendlicht)
9
- (Blinkerleuchtenschalter rechts)
- (Tagfahrlicht links)
10
Nebelschlussleuchtenschalter
- (Strom Tagfahrlicht)
11
MASSE AUTOM. BELEUCHTUNG
AV-Schlussleuchte
12
IGN1
STROMVERSORGUNG AUTOM. BELEUCHTUNG
13
ACC
Auto-Lichtsensor
14
-
Schalter Sicherheitsgurt hinten rechts
15
-
Nebelschlussleuchtenrelais
16
SCHLÜSSEL STECKT-SCHALTER
- (Relais)
17
Scheinwerfer-Fernlichtschalter
Scheinwerfer-Fernlichtrelais
18
SBR-Schalter hinten links
Schlussleuchtenrelais
19
SBR-Schalter hinten Mitte
- (Tagfahrlicht rechts)
20
Lichthupenschalter
- (Strom Tagfahrlicht)
21
Scheinwerferschalter (Abblendlicht)

22
Masse (Stromversorgung)

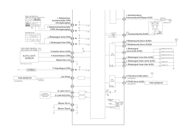
Schematische darstellungen

Schaltplan
[Typ-BCM]

[Ausführung ohne BCM (Gurtwarner und Beleuchtungseinheit)]

Beschreibung und bedienung

Beschreibung

Karosserie-Steuermodul (BCM)-Funktion

NEIN
Pos.
Beschreibung
1
Mit Waschanlage verbundener Wischer

Wenn der Waschanlagenschalter 0,06~0,2 Sekunden lang gedrückt wird, während sich das Fahrzeug im Modus IGN2 befindet, wird das Scheibenwischerrelais nach dem Einschalten des Waschanlagenrelais 0,3 ± 0,1 Sekunden lang eingeschaltet. Das Scheibenwischerrelais wird 0,7 ± 0,1 Sekunden später ausgeschaltet.

Wenn der Waschanlagenschalter länger 0,2 Sekunden gedrückt wird, während sich das Fahrzeug im Modus IGN2 befindet, wird das Scheibenwischerrelais nach dem Einschalten des Waschanlagenrelais 0,3 ± 0,1 Sekunden lang eingeschaltet. Das Scheibenwischerrelais wird 2,5~3,8 Sekunden (Wischer wird 2~3 Mal betätigt) nach dem Ausschalten der Waschanlage ausgeschaltet.

2
Kombinierter Wischerbetrieb für BESCHLAGENTFERNUNG

Wird der Scheibenwischer-Beschlagentfernungsschalter 0,7 Sekunden lang gedrückt, während sich das Fahrzeug im Modus IGN2 befindet, dann wird das Wischerrelais eingeschaltet und dann nach 0,7 Sekunden ausgeschaltet.

Wird der Scheibenwischer-Beschlagentfernungsschalter 0,7 Sekunden lang gedrückt, während sich das Fahrzeug im Modus IGN2 befindet, dann wird das Wischerrelais eingeschaltet und dann 0,7 Sekunden nach dem Ausschalten des Wischerschalters ausgeschaltet.

3
REGELBARER INTERVALLWISCHER

Wenn der Wischerintervallschalter eingeschaltet wird, während sich das Fahrzeug im Modus IGN2 befindet, arbeitet der Scheibenwischer im Intervallbetrieb (10 ~ 2,2 s) basierend auf der Intervalleinstellung.

4
Mit Heckscheibenwaschanlage verbundener Wischer

Wenn der Heckscheiben-Waschanlagenschalter eingeschaltet wird, während der IGN2-Schalter eingeschaltet ist, dann wird der Scheibenwischerstrom 0,3 Sekunden später eingeschaltet. Wenn das Schaltereingangssignal zwischen 0,2 und 0,6 Sekunden anhält, wird der Wischerstrom 0,7 Sekunden später ausgeschaltet.

5
Heckscheibenwischer

Wenn der Heckscheibenwischerschalter eingeschaltet wird, während der IGN2-Schalter eingeschaltet ist, dann arbeitet der Heckscheibenwischer fortwährend.

6
Heckscheibenheizungszeitgeber

Wenn der Beschlagentfernungsschalter eingeschaltet wird, während der Generator des Fahrzeugs eingeschaltet ist, dann wird d as Beschlagentfernungsrelais 20 Minuten lang eingeschaltet.

Wenn der Beschlagentfernungsschalter bei Betrieb des Beschlagentferners ein weiteres Mal betätigt oder der Generatormodus ausgeschaltet wird, dann schaltet das Beschlagentfernungsrelais aus.

7
SCHLÜSSELVERRIEGELUNG

Wird der SCHLÜSSELVERRIEGELUNGSSCHALTER ausgeschaltet, während sich das Fahrzeug im Modus IGN1 EIN oder ACC ON befindet, wird das Ausgangssignal des Schlüsselmagneten eingeschaltet und das Abziehen des Schlüssels wird verhindert.

8
ATM-SCHALTSPERRE

Wenn der Bremsschalter eingeschaltet wird, während sich das Fahrzeug im Modus IGN1 EIN und der Wählhebel in der Position P befindet, wird der ATM-Magnet eingeschaltet, um den Wählhebel zu entriegeln.

9
Heckklappenentriegelung

Bei Empfang des TX-Heckklappensignals wird das Heckklappenöffnungsrelais 0,2 ± 0,02 s lang eingeschaltet.

Wird der Heckklappenöffnungsschalter bei geöffneten Türen betätigt, wird das Heckklappenöffnungsrelais 0,2 ± 0,02 s lang eingeschaltet.

(Das Signal des Heckklappenöffnungsschalters wird im Modus ARMWAIT, ARM, REARM oder ALARM ignoriert.)

Wenn der Innenraum-Heckklappenöffnungsschalter auf EIN geschaltet wird, schaltet das Heckklappenöffnungsrelais 0,2 ± 0,02 s lang ein.

(Das Heckklappenöffnungsrelais wird aber NICHT eingeschaltet, wenn die Fahrzeuggeschwindigkeit 5 km/h überschreitet oder wenn sich das Fahrzeug im Modus ARMWAIT, ARM, REARM oder ALARM befindet.)

10
ZEITSCHALTUNG DER ELEKTRISCHEN FENSTERHEBER

Das Fensterheberrelais wird eingeschaltet, wenn die Zündung des Fahrzeugs eingeschaltet wird.

Wenn die Zündung des Fahrzeugs ausgeschaltet wird, wird das Fensterheberrelais 30 Sekunden lang eingeschaltet.

Wenn eine Tür innerhalb der Zeitspanne von 30 Sekunden geöffnet wird, in der das Relais des elektrischen Fensterhebers eingeschaltet ist, schaltet das Relais des elektrischen Fensterhebers sofort aus.

Wenn eine Tür geöffnet und die Zündung des Fahrzeugs ausgeschaltet wird, wird das Relais des elektrischen Fensterhebers sofort ausgeschaltet.

11
Sicherheitsgurtwarnung (Fahrerseite)

Wenn der Sicherheitsgurt nicht angelegt ist, schaltet die Kontrollleuchte beim Einschalten der Zündung ein und Schaltet aus, wenn der Sicherheitsgurt angelegt ist.

Wenn die Fahrgeschwindigkeit bei nicht angelegtem Sicherheitsgurt über 20 km/h liegt, blinkt die Kontrollleuchte und der Warntongeber wird 100 Sekunden lang aktiviert.

Wenn die Fahrgeschwindigkeit bei angelegtem Sicherheitsgurt über 20 km/h liegt und der Sicherheitsgurt dann abgelegt wird, blinkt die Kontrollleuchte und der Warntongeber wird 100 Sekunden lang aktiviert. (Erinnerung)

Wenn der Sicherheitsgurt angelegt oder die Zündung des Fahrzeugs ausgeschaltet wird, während der akustischer Signalgeber 100 s lang arbeitet, blinkt die Kontrollleuchte und der Summer wird ausgeschaltet.

Wenn die Zündung bei nicht angelegtem Sicherheitsgurt eingeschaltet wird und die Fahrgeschwindigkeit bei eingeschalteter Kontrollleuchte 20 km/h überschreitet, blinkt die Kontrollleuchte und der Warntongeber wird 100 Sekunden lang aktiviert.

12
Sicherheitsgurtwarnung (Beifahrerseite)

Falls niemand auf dem Beifahrersitz sitzt, so entspricht der Systembetrieb dem bei angelegtem Sicherheitsgurt.

Wenn der Sicherheitsgurt nicht angelegt ist, schaltet die Kontrollleuchte beim Einschalten der Zündung ein und Schaltet aus, wenn der Sicherheitsgurt angelegt ist.

Wenn die Fahrgeschwindigkeit bei nicht angelegtem Sicherheitsgurt über 20 km/h liegt, blinkt die Kontrollleuchte und der Warntongeber wird 100 Sekunden lang aktiviert.

Wenn die Fahrgeschwindigkeit bei angelegtem Sicherheitsgurt über 20 km/h liegt und der Sicherheitsgurt dann abgelegt wird, blinkt die Kontrollleuchte und der Warntongeber wird 100 Sekunden lang aktiviert. (Erinnerung)

Wenn der Sicherheitsgurt angelegt oder die Zündung des Fahrzeugs ausgeschaltet wird, während der akustischer Signalgeber 100 s lang arbeitet, blinkt die Kontrollleuchte und der Summer wird ausgeschaltet.

Wenn die Zündung bei nicht angelegtem Sicherheitsgurt eingeschaltet wird und die Fahrgeschwindigkeit bei eingeschalteter Kontrollleuchte 20 km/h überschreitet, blinkt die Kontrollleuchte und der Warntongeber wird 100 Sekunden lang aktiviert.

13
Sicherheitsgurtwarnung (Rücksitz)

Wird der Sicherheitsgurt nicht angelegt, so schaltet die Kontrollleuchte beim ersten einschalten der Zündung 35 s lang EIN und schaltet dann aus, wenn der Sicherheitsgurt angelegt wurde.

Bei einer Fahrzeuggeschwindigkeit über 20 km/h ohne angelegten Sicherheitsgurt blinkt die Kontrollleuchte und es wird 35 s lang ein Warnton aktiviert.

Wird der Sicherheitsgurt bei einer Fahrzeuggeschwindigkeit über 20 km/h mit angelegtem Sicherheitsgurt gelöst, so blinkt die Kontrollleuchte und es wird 35 s lang ein Warnton aktiviert. (Erinnerung)

Wenn der Sicherheitsgurt angelegt oder die Zündung des Fahrzeugs ausgeschaltet wird, während der akustischer Signalgeber 35 s lang arbeitet, blinkt die Kontrollleuchte und der Summer wird ausgeschaltet.

Wird das Fahrzeug ohne angelegten Sicherheitsgurt in den Modus Zündung EIN geschaltet und überschreitet die Fahrzeuggeschwindigkeit 20 km/h, so blinkt die Kontrollleuchte und es wird 35 s lang ein Warnton ausgegeben.

14
WARNUNG ZÜNDSCHLÜSSEL STECKT

Wenn die Fahrertür geöffnet wird, während der Schlüssel steckt, dann wird der akustische Signalgeber dauerhaft in Intervallen von 1 Sekunde aktiviert.

Der Wartongeber schaltet aus, wenn der Schlüssel abgezogen oder die Tür geschlossen wird, während der Warntongeber aktiviert ist.

15
Warnung Feststellbremse

Wenn sich das Fahrzeug im Modus IGN1 befindet und die Fahrgeschwindigkeit bei aktivierter Feststellbremse 5 km/h überschreitet, ertönt ein akustisches Signal, bis die Feststellbremse gelöst wird.

(Der akustische Signalgeber schaltet innerhalb eines Intervalls von 1 Sekunde 0,6 Sekunden lang EIN und 0,4 Sekunde lang AUS, bis die Feststellbremse gelöst wird.)

16
GEDIMMTE INNENRAUMLEUCHTE

Wenn eine Tür geöffnet wird, während die Zündung des Fahrzeugs ausgeschaltet ist, schaltet die Innenraumleuchte ein. Wenn die Tür geschlossen wird, bleibt die Innenraumleuchte 30 Sekunden lang eingeschaltet und schaltet dann aus. (Dimmer-/Lichthupenschalter 2 ± 0,2 s)

Wenn die Tür geöffnet bleibt, bleibt die Innenraumleuchte 20 Minuten lang eingeschaltet und schaltet dann aus. (Dimmer-/Lichthupenschalter 2 ± 0,2 s)

17
ZÜNDSCHLOSSBELEUCHTUNG

Die Zündschlossbeleuchtung schaltet sich bei Öffnen einer Tür ein, wenn der Zündschlüssel (IGN1) abgezogen ist. Die Zündschlossbeleuchtung schaltet sich 30 s nach dem Schließen der Tür wieder aus.

Wird der Fahrzeugmodus auf IGN1 ON umgeschaltet, während die Schlüsselbeleuchtung eingeschaltet ist, wird die Leuchte sofort ausgeschaltet.

Wird der Fahrzeugmodus auf ARMWAIT umgeschaltet, während die Schlüsselbeleuchtung eingeschaltet ist, wird die Leuchte sofort ausgeschaltet.

18
AUTOMATISCHE SCHLUSSLEUCHTENABSCHALTUNG

Wenn der Schlussleuchtenschalter AUS → EIN geschaltet wird, schaltet das Schlussleuchtenrelais ein.

Wenn der Schlussleuchtenschalter ausgeschaltet wird, schaltet das Schlussleuchtenrelais aus.

Wenn der Schlüssel-steckt-Schalter und der Schlussleuchtenschalter eingeschaltet sind und dann bei eingeschaltetem Schlussleuchtenschalter der Schlüssel-steckt-Schalter ausgeschaltet und die Fahrertür GEÖFFNET wird, schaltet das Schlussleuchtenrelais aus. (Auto AUS)

Wenn der Schlüssel-steckt-Schalter nach dem automatischen Ausschalten eingeschaltet wird, schaltet das Schlussleuchtenrelais ein. Das Schlussleuchtenrelais wird auch dann nicht wieder eingeschaltet, wenn die Fahrertür geöffnet → geschlossen wird.

19
SCHEINWERFER-ESCORTFUNKTION

Wenn das Fahrzeug vom Modus IGN1 in den Modus IGN1 AUS geschaltet wird und die Scheinwerfer mit dem Scheinwerferschalter oder mittels Auto-Lichtfunktion eingeschaltet sind, dann bleiben die Scheinwerfer eingeschaltet.

Die Scheinwerfer werden ausgeschaltet, wenn eine der nachfolgenden Bedingungen vorliegt.

① 15 Sekunden nach Fahrertür offen → geschlossen.

② Scheinwerfer oder Autolicht nicht eingeschaltet.

③ Wenn die Fahrertür länger als 5 Minuten geöffnet bleibt.

④ 20 Minuten nachdem der Fahrzeugmodus von IGN1 EIN zu IGN AUS geändert wurde.

⑤ Wenn das Tx-Verriegelungssignal bei eingeschalteten Scheinwerfern 2 Mal empfangen wird.

20
Abblendlicht / Fernlicht

Wird das Abblendlicht durch Einschalten des Abblendlichtschalters oder mittels Auto-Lichtfunktion eingeschaltet, während der Fernlichtschalter eingeschaltet ist (Selbstrückstellung), wird das Fernlicht eingeschaltet.

Das Fernlicht kann nur mit dem Lichthupenschalter ausgeschaltet werden.

21
Scheinwerfer/Lichthupe

Das Fernlicht wird nur eingeschaltet, wenn der Lichthupenschalter betätigt wird und sich das Fahrzeug im Modus IGN2 EIN befindet.

Dieser Schalter dient zum Ausschalten, wenn das Fernlicht eingeschaltet ist.

22
Nebelscheinwerfer

Wenn die Nebelscheinwerfer eingeschaltet werden, während das Schlusslicht eingeschaltet ist, dann schalten die Nebelscheinwerfer ein.

Wenn die Nebelscheinwerfer ausgeschaltet werden, während die Nebelscheinwerfer eingeschaltet sind, dann schalten die Nebelscheinwerfer aus.

Wenn das Abblendlicht eingeschaltet wird, während die Nebelscheinwerfer eingeschaltet sind, dann schalten die Nebelscheinwerfer ein.

Wenn die Nebelscheinwerfer ausgeschaltet werden, während die Nebelscheinwerfer eingeschaltet sind, dann schalten die Nebelscheinwerfer aus.

23
Nebelschlussleuchte

Die Nebelschlussleuchte wird eingeschaltet, wenn der Nebelschlussleuchtenschalter gedrückt wird und sich das Fahrzeug im Modus IGN1 ON befindet und der Nebelscheinwerferschalter eingeschaltet wird.

Die Nebelschlussleuchte wird ausgeschaltet, wenn der Nebelschlussleuchtenschalter bei eingeschalteter Leuchte gedrückt wird.

Die Nebelschlussleuchte ist ausgeschaltet, wenn IGN1 oder das Schlusslichtrelais bei eingeschalteter Leuchte ausgeschaltet wird.

Die Nebelschlussleuchte wird ausgeschaltet, wenn sowohl das Scheinwerfer-Abblendlichtrelais als auch der Nebelscheinwerferschalter bei eingeschalteter Leuchte ausgeschaltet werden.

24
STEUERUNG FÜR AUTOMATISCHES LICHT

Wenn der Auto-Lichtsensor die Bedingung zum Einschalten des Lichts erfasst, wird das Licht 2,5 Sekunden später eingeschaltet.

Wenn der Sensor die Bedingung zum Ausschalten des Lichts erkennt, dann wird das Licht 2,5 Sekunden später ausgeschaltet.

Wenn der Sensor ein Einschalten des Schlusslichts erkennt, dann wird nur das Schlusslicht eingeschaltet. Wenn der Sensor die Bedingung zum Einschalten der Scheinwerfer erfasst, dann werden beide Schlussleuchten und Scheinwerfer eingeschaltet.

Beim Einschalten der Scheinwerfer werden ungeachtet des Ein-/Ausschaltzustands der Schlussleuchten sowohl die Schlussleuchten als auch die Scheinwerfer eingeschaltet.

25
Schlussleuchten-Begrüßungsfunktion

Wenn der Zündschlüssel abgezogen ist und alle Türen bei eingeschalteten Schlussleuchten (Scheinwerferschalter oder AUTO-Lichtschalter + Dunkelheit) geschlossen und verriegelt sind und dann die RKE-Entriegelung aktiviert wird, werden die Schlussleuchten 15 Sekunden lang eingeschaltet.

26
Statisches Kurvenlicht (SBL)

Bei eingeschalteten Scheinwerfern wird das linke/rechte statische Kurvenlicht (SBL) entsprechend dem Lenkwinkel eingeschaltet.

Wenn sich der Wählhebel in Position R befindet, dann wird die Leuchte gegenüber des Radwinkels eingeschaltet.

Bei Inlandsmodellen schaltet die Lampe nicht ein, wenn die Fahrgeschwindigkeit unter 3 km/h liegt oder wenn sich der Wählhebel in Position R befindet.

27
TAGESFAHLICHT (DRL)

Das Tagfahrlicht wird eingeschaltet, wenn der Motor gestartet wird.

Das Tagfahrlicht wird ausgeschaltet, wenn das Abblendlicht oder die Nebelscheinwerfer eingeschaltet werden.

28
Blinkerleuchtenschalter (HAZARD)

Bei Eingang des linken Blinkerleuchtenschaltersignals wird die linke Blinkerleuchte eingeschaltet, wenn sich das Fahrzeug im Modus IGN2 befindet.

Die Warnblinkanlage schaltet ein, wenn der Warnblinkanlagenschalter eingeschaltet wird.

29
RPAS

Wenn der Wählhebel in Position R gebracht wird, während sich das Fahrzeug im Modus IGN1 EIN befindet, wird der akustische Signalgeber 0,5 Sekunden später eingeschaltet.

Die Warnstufe wird am Kombiinstrument angezeigt und der akustische Signalgeber wird entsprechend der Warnbedingung aktiviert.

30
Modus Normal/ARMWAIT/Wiederverriegelung

Wenn das Tx-Verriegelungssignal empfangen wird, während sich der Zündschlüssel nicht im Zündschloss befindet und alle Türen geschlossen sind, dann wird das Verriegelungssignal für alle Türen ausgegeben. Wenn alle Türschalter verriegelt sind, dann blinkt die Warnblinkanlage 1 Mal und das Fahrzeug wechselt nach Ablauf der Wartezeit für den Scharfstellmodus (30 s) in den Scharfstellmodus.

Wenn das Tx-Verriegelungssignal empfangen wird, während eine der Türen, die Motorhaube oder der Kofferraum geöffnet sind, so wird nur das Verriegelungssignal ausgegeben. Die Warnblinkanlage schaltet nicht ein und das Fahrzeug wechselt nicht in den Scharfstellmodus.

Wenn 30 Sekunden nach dem Empfang des Tx-Entriegelungssignals keine der Türen geöffnet wird oder kein Einstecken des Schlüssels erfasst wird, so kehrt das Fahrzeug in den Scharfstellmodus zurück.

31
Alarmbedingung

Wenn die Alarmaktivierungsbedingung erfasst wird, wird die Startsperre eingeschaltet, um ein Starten des Motors zu verhindern, und der Alarm wird aktiviert.

32
ENTSCHÄRFEN/Alarmdeaktivierungsbedingung

Wenn das Signal des Tx-Verriegelungs-/Entriegelungsschalters empfangen wird, dann wird das Ver-/Entriegelungssignal 0,5 Sekunden lang ausgegeben und die STARTSPERRE wird ausgeschaltet.

Wenn Schlüssel-steckt-Schalter = EIN und IGN1-Schalter = EIN und IGN2-Schalter = EIN und Generator = EIN länger als 30 Sekunden anhält, dann wird die STARTSPERRE ausgeschaltet und das Fahrzeug wechselt in den ENTSCHÄRFUNGSMODUS.

33
Rückstellen

Wenn die Batterie bei aktiviertem Alarm abgeklemmt und dann wieder angeklemmt wird, so wird der Alarm ebenfalls wieder aktiviert.

Wird die Batterie abgeklemmt und dann wieder angeklemmt, während sich das Fahrzeug im Scharfstellmodus befindet, so bleibt das Fahrzeug im Scharfstellmodus.

34
ZENTRALVERRIEGELUNG

Wenn der Schlüsselver-/entriegelungsschalter auf Fahrer-/Beifahrerseite innerhalb von 3 Sekunden eingeschaltet wird, so wird das Ver-/Entriegelungssignal für alle Türen 0,5 Sekunden lang ausgegeben.

Wenn das Tx-Verriegelungs/-Entriegelungssignal empfangen wird, dann wird das Signal zum Ver-/Entriegeln aller Türen 0,5 Sekunden lang ausgegeben.

Wird der Fahrertür-Entriegelungsschalter (elektrischer Fensterheber) in die Ver-/Entriegelungsposition gebracht, so wird das Ver-/Entriegelungssignal für alle Türen 0,5 Sekunden lang ausgegeben.

35
AUTOMATISCHE TÜRVERRIEGELUNG
(Nur bei SAB-Option)

Wenn sich das Fahrzeug im Modus IGN 1 EIN und Generator EIN befindet und die Fahrgeschwindigkeit über 15 km/h liegt, werden alle Türen innerhalb von 1,5 Sekunden verriegelt.

(Wenn jedoch alle Türen verriegelt sind oder eine Türstörung vorliegt, so wird die Funktion zum Verriegeln aller Türen nicht ausgeführt.)

Ist eine der Türen nach dem Verriegeln gemäß der obigen Bedingung entriegelt, so wird der Verriegelungsbefehl 3 Mal ausgeführt. (in einem Intervall von 1 s). Eine entriegelte Tür, die während der 3 Versuche verriegelt wird, wird ignoriert.

Die Funktion für automatische Türverriegelung ist im Zustand der Entriegelung bei Kollision nicht wirksam.

36
AUTOMATISCHE TÜRENTRIEGELUNG

Wenn der Schlüssel nach dem Einstecken abgezogen wird, so wird die Entriegelung für alle Türen ausgeführt.

(Wenn jedoch alle Türen bereits entriegelt sind, wird der Entriegelungsbefehl nicht ausgeführt.)

37
ZÜNDSCHLÜSSELWARNUNG
Diese Funktion wird nicht aktiviert, wenn die Fahrgeschwindigkeit über 3 km/h liegt.

Wenn die Zündung eingeschaltet ist, der Fahrertürschalter geöffnet ist und die entriegelte Fahrertür verriegelt wird, wird das Entriegeln aller Türen nach einer Verzögerung von 0,5 Sekunden 1 Sekunde lang ausgeführt.

Wenn die Zündung eingeschaltet ist, der Beifahrertürschalter geöffnet ist und die entriegelte Beifahrertür verriegelt wird, wird das Entriegeln aller Türen nach einer Verzögerung von 0,5 Sekunden 1 Sekunde lang ausgeführt.

Wenn der Fahrertürschalter innerhalb von 0,5 Sekunden nach dem Umschalten vom Entriegelungszustand in den Verriegelungszustand geschlossen wird, während die Zündung des Fahrzeugs eingeschaltet ist, so wird das Entriegeln aller Türen nur 1 Mal 1 Sekunde lang ausgeführt.

Wenn die Entriegelungsbedingung erfüllt ist, dann wird die Entriegelung auch dann ausgeführt, wenn diese Bedingung keine 0,5 Sekunden lang andauert.

38
Passive Schlüsselwarnung

Diese Funktion wird nicht aktiviert, wenn die Fahrgeschwindigkeit über 3 km/h liegt.

Wenn das Schlüsselwarnsignal vom SMK empfangen wird, dann wird der Entriegelungsbefehl für alle Türen 1 Sekunde lang ausgegeben.

Wenn die Tür verriegelt bleibt, obwohl der Entriegelungsbefehl wie oben beschrieben 1 Sekunde lang ausgegeben wird, dann werden bis zu 3 Entriegelungsversuche durchgeführt (wobei der 1. Versucht nicht mitgezählt wird) (1-s-Intervall: 0,5s EIN/AUS)

39
ENTRIEGELN EINER TÜR BEI KOLLISION

Die Entriegelung wird jedes Mal ausgeführt, wenn beim Einschalten der Zündung ein ACU-Signal eingeht. Das Entriegelungs-Ausgangssignal wird auch dann für die festgelegte Dauer weiterhin ausgegeben, wenn die Zündung von EIN auf AUS geschaltet wird.

Wenn der Fahrer-/Beifahrer-/Hintertür-Verriegelungsschalter nach dem Ausführen eines Entriegelungsvorgang von der Entriegelungsposition in die Verriegelungsposition bewegt wird, dann wird 5 Sekunden lang erneut ein Entriegelungsbefehl ausgegeben.

Die Funktion für automatische Türverriegelung ist im Zustand der Entriegelung bei Kollision nicht wirksam.

40
Ein-/Ausklappen

Die Ein-/Ausklappfunktion wird ausgeführt, wenn der Ein-/Ausklappschalter aktiviert wird.

Wenn der AUTO-Schalter aktiviert ist, wird die Ein-/Ausklappfunktion automatisch ausgeführt, wenn eine der folgenden Bedingungen eintritt.

1)

Bei RKE-VER-/ENTRIEGELUNG.

2)

Bei PASSIVER VER-/ENTRIEGELUNG.

3)

Wenn das Smartkey-Annäherungssignal/-Entfernungssignal erfasst wird.

41
AV Schlussleuchte

Liegt der Wert des Auto-Lichtsensors bei eingeschaltetem Zubehör (ACC ON) unterhalb der Bedingung für das Einschalten der Schlussleuchte (0,4 V), wird der Ausgang der AV-Schlussleuchte nach 1 Sekunde eingeschaltet.

Liegt der Wert des Auto-Lichtsensors bei eingeschalteter AV-Schlussleuchte oberhalb der Bedingung für das Ausschalten der Schlussleuchte (0,85 V), wird der Ausgang der AV-Schlussleuchte nach 1 Sekunde ausgeschaltet.


Diagramm des Kommunikationsnetzwerks

ABKÜRZUNG
ERKLÄRUNG
ABS
Antiblockiersystem
ACU
Airbag-Steuereinheit
AEB
Autonome Notfallbremse
B-CAN
Karosserie CAN (Controller Area Network)
BCM
Karosserie-Steuermodul
C-CAN
Fahrwerk CAN (Controller Area Network)
KUP
Kombiinstrument-Modul
DATC
Duale automatische Temperatursteuerung
os.
Motormanagementsystem
ESC
Elektronisches Steuergerät
EVP
EVA-Unterdruckpumpe
I-BOX
Telematik-System
LPI
Flüssiggaseinspritzung
H_U
Haupteinheit (Audio / AVN)
M_CAN
Multimedia CAN (Controller Area Network)
MDPS
Motorbetriebene Servolenkung
PGS
Einparkhilfesystem
SLM
Gurtwarner und Beleuchtungsmodul
SMK
Smart Key-Einheit
TCU
Getriebe-Steuereinheit
TMU
Telematik-System
TPMS
Reifendruckwarnsystem

Reparaturverfahren

Ausbau
[Typ-BCM]
1.

Batteriemassekabel abklemmen.

2.

Untere Armaturenbrettverkleidung abbauen.

(Siehe Karosserie - "Untere Armaturenbrettverkleidung")

3.

Steckverbinder (A) vom zentralen Steuermodul und Befestigungsclip (B) abziehen.

4.

Befestigungsmuttern lösen, dann das Karosseriesteuermodul (A) ausbauen.

5.

Steckverbinder (A) abziehen, dann Karosseriesteuermodul (B) entfernen.

[Ausführung ohne BCM (Gurtwarner und Beleuchtungseinheit)]
1.

Batteriemassekabel abklemmen.

2.

Untere Armaturenbrettverkleidung abbauen.

(Siehe Karosserie - "Untere Armaturenbrettverkleidung")

3.

Steckverbinder von Gurtwarner und Beleuchtungseinheit abziehen.

4.

Befestigungsmuttern und -schraube lösen, dann Gurtwarnungs- und -beleuchtungseinheit (A) ausbauen.

Einbau
[Typ-BCM]
1.

Steckverbinder des Karosseriesteuermoduls anschließen.

2.

Karosseriesteuermodul (BCM) einbauen.

3.

Untere Armaturenbrettverkleidung einbauen.

4.

Minuspol (-) der Batterie anschließen.

[Ausführung ohne BCM (Gurtwarner und Beleuchtungseinheit)]
1.

Steckverbinder von Gurtwarner und Beleuchtungseinheit anschließen.

2.

Gurtwarner und Beleuchtungseinheit einbauen.

3.

Untere Armaturenbrettverkleidung einbauen.

4.

Minuspol (-) der Batterie anschließen.

BCM-Diagnose mit dem KDS/GDS
[Nur BCM-Ausführung]
1.

Fehler in der Karosserieelektrik können mithilfe des Fahrzeugdiagnosesystems (KDS/GDS) schnell diagnostiziert werden.

Das Diagnosesystem (KDS/GDS) liefert die folgenden Informationen.

(1)

Selbstdiagnose: Defekt und Codenummer (DTC) überprüfen

(2)

Aktuelle Daten: Status der Ein-/Ausgangsdaten des Systems überprüfen

(3)

Stellgliedtest: Betriebsbedingung des Systems überprüfen

(4)

Zusatzfunktionen: Steuerung anderer Funktionen einschließlich Systemoptionseinstellungen und Nullpunkteinstellung

2.

'Fahrzeugmodell' und 'Karosseriesteuermodul (BCM)' wählen, um das Fahrzeug mit dem Tester zu untersuchen.

3.

Menü 'Momentane Daten" wählen, um den aktuellen Status der Ein-/Ausgangsdaten zu suchen.

4.

Mit Hilfe von "Benutzeroption" kann die Benutzeroption geändert werden.

    Bauteile und bauteile-Übersicht BAUTEILE-ÜBERSICHT 1. Kamera für die Rückansicht 2. AVN-Haupteinheit 3. Lenkwinkelsensor Beschreibung und bedienung Beschreibung 1.

    Bauteile und bauteile-Übersicht BAUTEILE-ÜBERSICHT 1. Karosserie-Steuermodul (BCM) 2. Smartkey-Einheit (SMK) 3.

    Weitere Informationen:

    Kia Picanto (JA) Reparaturanleitung: Heckscheibenheizungsschalter

    Reparaturverfahren PRÜFUNG 1. Fehler in der Karosserieelektrik können mithilfe des Fahrzeugdiagnosesystems (KDS/GDS) schnell diagnostiziert werden. Das Diagnosesystem (KDS/GDS) liefert die folgenden Informationen. (1) Selbstdiagnose: Defekt und Codenummer (DTC) überprüfen

    Kia Picanto (JA) Reparaturanleitung: Fotosensor

    Beschreibung und bedienung Beschreibung 1. Der Fotosensor befindet sich mittig in der Defrosterdüse. Der Fotosensor beinhaltet eine fotovoltaische Diode, die auf Sonnenlicht reagiert. Die solare Strahlung generiert eine elektromotorische Kraft, die proportional zu der empfangenen Sonneneinstrahlung ist.

    Kategorien

     
    Copyright © 2026 www.picantode.com - 0.0314