| BAUTEILE-ÜBERSICHT |
| FAHRERFENSTERHEBERSCHALTER |

BELEGUNG DER STECKERKLEMMEN
[Alle Manuell / Automatisches Öffnen]
(Linkslenkung)
|
Nr. |
Beschreibung |
Nr. |
Beschreibung |
|
1 |
Masse |
10 |
Fensterheber-Verriegelungsschalter hinten links |
|
2 |
Elektrischer Fensterheber hinten links "down" |
11 |
Fensterheber vorne links (Öffnen) |
|
3 |
Elektrischer Fensterheber hinten links "up" |
12 |
Fensterheber vorne links (Schließen) |
|
4 |
Battery (+)_LH |
13 |
- |
|
5 |
Türentriegelungsschalter |
14 |
Türverriegelungsschalter |
|
6 |
Batterie (+)_Schlussleuchte |
15 |
- |
|
7 |
Elektrischer Fensterheber rechts hinten "down" |
16 |
Fensterheber vorne rechts (Öffnen) |
|
8 |
Fensterheber hinten rechts (Schließen) |
17 |
Fensterheber vorne rechts (Schließen) |
|
9 |
Battery (+)_RH |
18 |
Fensterheber-Verriegelungsschalter hinten rechts |
(Rechtslenkung)
|
Nr. |
Beschreibung |
Nr. |
Beschreibung |
|
1 |
Masse |
10 |
- |
|
2 |
- |
11 |
Fensterheber vorne links (Öffnen) |
|
3 |
- |
12 |
Fensterheber vorne links (Schließen) |
|
4 |
Battery (+)_LH |
13 |
- |
|
5 |
Türentriegelungsschalter |
14 |
Türverriegelungsschalter |
|
6 |
Batterie (+)_Schlussleuchte |
15 |
- |
|
7 |
- |
16 |
Fensterheber vorne rechts (Öffnen) |
|
8 |
- |
17 |
Fensterheber vorne rechts (Schließen) |
|
9 |
Battery (+)_RH |
18 |
- |
[Fahrersicherheit]
(Linkslenkung)
|
Nr. |
Beschreibung |
Nr. |
Beschreibung |
|
1 |
Masse |
10 |
Fensterheber-Verriegelungsschalter hinten links |
|
2 |
Elektrischer Fensterheber hinten links "down" |
11 |
- |
|
3 |
Elektrischer Fensterheber hinten links "up" |
12 |
- |
|
4 |
Battery (+)_LH |
13 |
Fensterheberhauptmodul, Fahrerseite (Schließen/Öffnen) |
|
5 |
Türentriegelungsschalter |
14 |
Türverriegelungsschalter |
|
6 |
Batterie (+)_Schlussleuchte |
15 |
- |
|
7 |
Elektrischer Fensterheber rechts hinten "down" |
16 |
Fensterheber vorne rechts (Öffnen) |
|
8 |
Fensterheber hinten rechts (Schließen) |
17 |
Fensterheber vorne rechts (Schließen) |
|
9 |
Battery (+)_RH |
18 |
Fensterheber-Verriegelungsschalter hinten rechts |
(Rechtslenkung)
|
Nr. |
Beschreibung |
Nr. |
Beschreibung |
|
1 |
Elektrischer Fensterheber hinten links "down" |
10 |
Fensterheber vorne links (Öffnen) |
|
2 |
Elektrischer Fensterheber hinten links "up" |
11 |
Masse |
|
3 |
- |
12 |
Fensterheber vorne links (Schließen) |
|
4 |
Batterie (+)_Schlussleuchte |
13 |
Battery (+)_LH |
|
5 |
Elektrischer Fensterheber rechts hinten "down" |
14 |
Battery (+)_RH |
|
6 |
Fensterheber hinten rechts (Schließen) |
15 |
Fensterheberhauptmodul, Fahrerseite (Schließen/Öffnen) |
|
7 |
Türentriegelungsschalter |
16 |
- |
|
8 |
Türverriegelungsschalter |
17 |
- |
|
9 |
Fensterheber-Verriegelungsschalter hinten rechts |
18 |
Fensterheber-Verriegelungsschalter hinten links |
| BEIFAHRERFENSTERHEBERSCHALTER |

| Hinterer Fensterheberschalter |

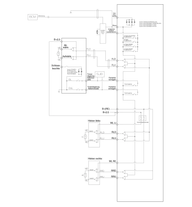
| Schaltplan |
| FAHRERFENSTERHEBERSCHALTER |
[Alle Manuell]
(Linkslenkung)

(Rechtslenkung)

[Automatisches Öffnen]
(Linkslenkung)

(Rechtslenkung)

[Fahrersicherheit]
(Linkslenkung)

(Rechtslenkung)

| BEIFAHRERFENSTERHEBERSCHALTER |

| Hinterer Fensterheberschalter |

| Ausbau |
|
FAHRERFENSTERHEBERSCHALTER
| 1. |
Batteriemassekabel abklemmen. |
| 2. |
Linke Vordertürverkleidung abbauen. (Siehe Karosserie - "Vordertürverkleidung") |
| 3. |
Fensterheberschalter (A) durch Herausziehen beider Enden der Schalterhalter (B) entfernen.
|
BEIFAHRERFENSTERHEBERSCHALTER
| 1. |
Batteriemassekabel abklemmen. |
| 2. |
Rechte Vordere Türverkleidung abbauen. (Siehe Karosserie - "Vordertürverkleidung") |
| 3. |
Fensterheberschalter (A) durch Herausziehen beider Enden der Schalterhalter (B) entfernen.
|
Hinterer Fensterheberschalter
| 1. |
Batteriemassekabel abklemmen. |
| 2. |
Hintere Türverkleidung abbauen. (Siehe Karosserie - "Hintertürverkleidung") |
| 3. |
Fensterheberschalter (A) durch Herausziehen beider Enden der Schalterhalter (B) entfernen.
|
| Einbau |
FAHRERFENSTERHEBERSCHALTER
| 1. |
Den Fensterheberschalter auf der Fahrerseite einbauen. |
| 2. |
Steckverbinder anschließen und Vordertürverkleidung anbringen. |
| 3. |
Minuspol (-) der Batterie anschließen. |
BEIFAHRERFENSTERHEBERSCHALTER
| 1. |
Den Fensterheberschalter auf der Beifahrerseite einbauen. |
| 2. |
Steckverbinder anschließen und Vordertürverkleidung anbringen. |
| 3. |
Minuspol (-) der Batterie anschließen. |
Hinterer Fensterheberschalter
| 1. |
Hinteren Fensterheberschalter einbauen. |
| 2. |
Steckverbinder anschließen und Hintertürverkleidung anbringen. |
| 3. |
Minuspol (-) der Batterie anschließen. |
| PRÜFUNG |
FAHRERFENSTERHEBERSCHALTER
| 1. |
Batteriemassekabel abklemmen. |
| 2. |
Linke Vordertürverkleidung abbauen. |
| 3. |
Steckverbinder des Fensterheberschalters aus der Türverkleidung ausbauen.
|
| 4. |
In den einzelnen Schalterstellungen gemäß der folgenden Tabelle auf Durchgang zwischen den Klemmen prüfen. Wenn der Stromdurchgang nicht vorschriftsgemäß ist, den Schalter ersetzen. [Alle Manuell / Automatisches Öffnen] (Linkslenkung)
(Rechtslenkung)
[Fahrersicherheit] (Linkslenkung)
(Rechtslenkung)
Zentralverriegelungsschalter
Schalter elektrischer Fensterheber Verriegeln
|
Fensterheberschalter Beifahrer/hinten
| 1. |
Batteriemassekabel abklemmen. |
| 2. |
Türverkleidungen vorne/hinten rechts ausbauen. (Siehe Karosserie - "Vordertürverkleidung") (Siehe Karosserie - "Hintertürverkleidung") |
| 3. |
Steckverbinder des Fensterheberschalters aus der Türverkleidung ausbauen. [Fensterheberschalter Beifahrerseite]
[Elektrischer Fensterheberschalter hinten]
|
| 4. |
In den einzelnen Schalterstellungen gemäß der folgenden Tabelle auf Durchgang zwischen den Klemmen prüfen. Wenn der Stromdurchgang nicht vorschriftsgemäß ist, den Schalter ersetzen.
|
Diagnose mit dem KDS/GDS
| 1. |
Defekte Komponenten der Karosserieelektrik können schnell mit dem Fahrzeugdiagnosesystem (KDS/GDS) untersucht werden. Das Diagnosesystem (KDS/GDS) liefert die folgenden Informationen.
|
| 2. |
'Fahrzeugmodell' und das zu überprüfende System wählen, um das Fahrzeug mit dem Tester zu untersuchen. |
| 3. |
'Karosseriesteuermodul (BCM)' auswählen, um das Kombiinstrumentmodul (BCM) zu überprüfen. |
| 4. |
Menü 'Momentane Daten" wählen, um den aktuellen Status der Ein-/Ausgangsdaten zu suchen. Die Ein-/Ausgangsdaten der Sensoren entsprechen dem zu überprüfenden Türverriegelungsschalter.
|
| 5. |
Wenn die Funktion der elektrischen Türverriegelung gewaltsam geprüft werden soll, muss der Stellgliedtest für das BCM gewählt werden.
|
Bauteile und bauteile-Übersicht BAUTEILE-ÜBERSICHT [Standard-Fensterhebermotor] [Sicherheitsfensterhebermotor] Reparaturverfahren PRÜFUNG • Zum Ausbau Schraubendreher oder Abzieher mit Klebeband umwickeln, damit keine Komponenten beschädigt werden.
Bauteile und bauteile-Übersicht BAUTEILE-ÜBERSICHT 1. Relais Heckscheibenheizung 2. Relais Heckscheibenheizungsschalter (Manuell-Ausführung) 3.
Bauteile und bauteile-Übersicht BAUTEILE-ÜBERSICHT 1. Fensterheberschalter auf Fahrerseite 2. Fensterheberschalter (Beifahrerseite) 3. Karosserie-Steuermodul (BCM) 4 . Türverriegelungsknopf 5 . Heckklappen-Stellantrieb 6.
Reparaturverfahren Ölspezifikation 1. Das System HFC-134a benötigt synthetisches (PAG) Kompressoröl, während im System R12 Kompressor- Mineralöl verwendet wird. Die beiden Öle dürfen auf keinen Fall miteinander vermischt werden.