| Beschreibung |
Das System verhindert, dass Kraftstoffdämpfe aus dem Kraftstofftank in die Atmosphäre gelangen. Wenn der Kraftstoff in dem Kraftstofftank verdampft, strömt der Dampf durch Entlüftungsschläuche oder -rohre in einen Behälter, der mit Aktivkohle gefüllt ist, und der Behälter hält den Dampf vorübergehend in der Aktivkohle.
Wenn das ECM festlegt, dass die Dampfansammlung während bestimmter Vorgänge in die Brennräume gesaugt wird, verwendet es den Unterdruck im Ansaugkrümmer zum Bewegen des Dampfes.
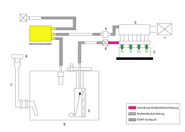
| SCHALTPLAN |

| 1. Luftfilter 2. Zuführleitung & Injektor 3. Motor 4. Spülluftsteuermagnetventil (PCSV) 5. Niederdruckpumpe |
6. Hochdruckkraftstoffpumpe
7. Tankeinfüllstutzen 8. Tankdeckel 9. Kraftstofftank |
Aktivkohlebehälter
Der Behälter ist mit Aktivkohle gefüllt und absorbiert den Kraftstoffdampf im Kraftstofftank. Der angesammelte Kraftstoffdampf im Aktivkohlefilter wird vom ECM/PCM in den Ansaugkrümmer gesaugt, wenn die entsprechenden Bedingungen eingestellt sind.
SPÜLMAGNETVENTIL (PCSV)
Das Spülmagnetventil (PCSV) ist in den Kanal eingebaut, der Aktivkohlebehälter und Ansaugkrümmer miteinander verbindet. Das Magnetventil ist ein Funktionskontrollventil und wird über das ECM/PCM-Signal betätigt.
Zum Saugen des absorbierten Dampfes in den Ansaugkrümmer öffnet das ECM/PCM das PCSV, andernfalls bleibt der Kanal geschlossen.
Tankdeckel
Ein Knarrenmechanismus am Tankdeckel verhindert, dass der Tankdeckel fehlerhaft aufgeschraubt wird und hierdurch der Tankstutzen komplett verschlossen wird. Sobald beim Aufschrauben des Tankdeckels die Tankdeckeldichtung am Tankstutzen anliegt, erzeugt der Mechanismus laute Klickgeräusche, die den ordnungsgemäßen Sitz des Tankdeckels anzeigen.
Technische daten Technische Daten SPÜLMAGNETVENTIL (PCSV) ▷ Spezifikation Pos. SPEZIFIKATION Spulenwiderstand (Ω) 18,5 - 22,5 [23°C] Anzugsdrehmomente Pos.
Reparaturverfahren Ausbau 1. Zündung ausschalten und Minuspol (-) der Batterie abklemmen. 2. Kraftstofftank ausbauen.
Reparaturverfahren Ausbau 1. Batteriemassekabel abklemmen. 2. Aufprallpolster-Hauptteil ausbauen. (Siehe Karosserie - "Hauptarmaturenbrett") 3. Steckverbinder von der Wegfahrsperren-Einheit abziehen und dann die Wegfahrsperren-Einheit (A) abziehen, nachdem
Technische daten Technische Daten Smart Key-Einheit Bauteil SPEZIFIKATION Nennspannung Gleichstrom 12 V Betriebsspannung Gleichstrom 9 ~ 16 V Betriebstemperatur (-35 - 75°C) Motorlast Max.