| BAUTEILE-ÜBERSICHT |

| 1. Fernbedienungsschalter rechts
(Tempomat + Bordcomputer) |
| Schaltplan |

| [Tageskilometerzähler (2 Tasten) + SEG LCD Cluster] |

| [Tageskilometerzähler (2 Tasten) + ACC + Tempomat] |

| [Tageskilometerzähler (2 Tasten) + ACC + Tempomat + SLD] |

| [Tageskilometerzähler (4 Tasten) + DOT und TFT LCD Kombiinstrument] |

| [Tageskilometerzähler (4 Tasten) + ACC + Tempomat] |

| [Tageskilometerzähler (4 Tasten) + ACC + Tempomat + SLD] |

| Ausbau |
| 1. |
Batteriemassekabel abklemmen. |
| 2. |
Lenkrad ausbauen. (Siehe Lenkung - "Lenkrad") |
| 3. |
Befestigungsschrauben lösen und dann Lenkradfernbedienung (A) entfernen.
|
| 4. |
Steckverbinder (A) der Lenkradfernbedienung abziehen.
|
| Einbau |
| 1. |
Steckverbinder der Lenkradfernbedienung anschließen. |
| 2. |
Lenkradfernbedienung einbauen. |
| 3. |
Lenkrad und Fahrerairbagmodul anbringen. |
| 4. |
Minuspol (-) der Batterie anschließen. |
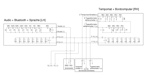
| PRÜFUNG |
| 1. |
Auf Widerstand zwischen den Klemmen in jeder Schalterposition prüfen.
[RH : Tempomat + Tageskilometerzähler]
|
Beschreibung und bedienung Beschreibung Das Geschwindigkeitsregelungssystem wird mit dem Tempomat-Hauptschalter "ON/OFF", rechts an der Lenksäule, eingeschaltet.
Technische daten Technische Daten SPÜLMAGNETVENTIL (PCSV) ▷ Spezifikation Pos. SPEZIFIKATION Spulenwiderstand (Ω) 18,5 - 22,5 [23°C] Anzugsdrehmomente Pos.
Bauteile und bauteile-Übersicht BAUTEILE-ÜBERSICHT 1. Scheinwerferhöhenverstell-Stellantrieb 2. Scheinwerferhöhenverstellschalter ※ Der Scheinwerfer-Höhenstellantrieb ist in den Scheinwerfer integriert.
Bauteile und bauteile-Übersicht BAUTEILE-ÜBERSICHT 1. Fensterheberschalter auf Fahrerseite 2. Fensterheberschalter (Beifahrerseite) 3. Karosserie-Steuermodul (BCM) 4 . Türverriegelungsknopf 5 . Heckklappen-Stellantrieb 6.