| SPEZIFIKATION |
▷ 13,5V, 120A [Nur ISG]
|
Pos. |
SPEZIFIKATION |
|
Nennspannung |
13,5 V, 120 A |
|
Drehzahl im Betrieb |
1.000 ~ 18.000 1/min |
|
Spannungsregler |
Integrierter IC-Regler |
|
ECM-Schnittstellentypregler |
LIN-Kommunikation |
|
Regulierspannung (Interner Modus) |
14,5 ± 0,3 V |
|
Stecker |
1 Stift (COM) |
|
Riemenscheibe, Bauart |
OAP |
▷ 13,5V, 90A [OHNE ISG]
|
Pos. |
SPEZIFIKATION |
|
Nennspannung |
13,5 V / 90 A |
|
Drehzahl im Betrieb |
1.000 ~ 18.000 1/min |
|
Spannungsregler |
Integrierter IC-Regler |
|
ECM-Schnittstellentypregler |
LIN-Kommunikation |
|
Regulierspannung (Interner Modus) |
14,5 ± 0,3 V |
|
Stecker |
1 Stift (COM) |
|
Riemenscheibe, Bauart |
OAP |
OAP : Überlauf-Generatorriemenscheibe |
| BAUTEILE-ÜBERSICHT |

| 1. Riemenscheibe
2. Vordere Halterung 3. Vorderes Lager 4. Stator 5. Rotor 6. Hinteres Lager |
7. Hintere
Halterung 8. Bürstenträger 9. Langschraube 10. Gleichrichter 11. Hintere Abdeckung |
| Beschreibung |
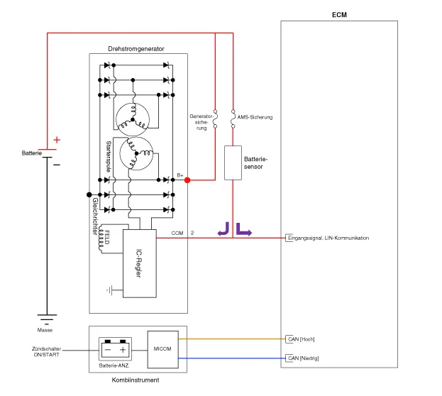
Die Lichtmaschine enthält acht integrierte Dioden, die den Wechselstrom (AC) in Gleichstrom (DC) umwandeln.
Dadurch liefert die Klemme "B" der Lichtmaschine Gleichstrom.
Zusätzlich wird die Ladespannung des Generators vom Batteriespannungserfassungssystem geregelt.
Die Hauptbestandteile der Lichtmaschine sind der Läufer, der Ständer, der Gleichrichter, die Kohlebürsten, die Lager und die Keilriemenscheibe.
Der Bürstenhalter enthält einen integrierten elektronischen Spannungsregler.

| 1. Bürste 2. OAP : Überlauf-Generatorriemenscheibe 3. Rotor 4. Stator 5. Gleichrichter |
| Schaltplan |

|
| Ausbau |
| 1. |
Zündung ausschalten und Batterieminuspol (-) abklemmen. |
| 2. |
Luftfilter herausnehmen. (Siehe Kapitel Motormechanik - "Luftfilter") |
| 3. |
Generatorsteckverbinder (A) und Generatorkabel "B" (B) abklemmen.
|
| 4. |
Antriebsriemen abnehmen. (Siehe Motormechanik - "Antriebsriemen") |
| 5. |
Ansaugkrümmer ausbauen. (Siehe Motormechanik - "Saugrohr") |
| 6. |
Befestigungsschrauben (A) des Generators ausschrauben.
|
| 7. |
Die Lichtmaschine (A) ausbauen.
|
| Einbau |
| 1. |
Der Einbau erfolgt in der umgekehrten Reihenfolge des Ausbaus. |
| ZERLEGUNG |
| 1. |
Hinteren Gehäusedeckel (A) abbauen.
|
| 2. |
Befestigungsschrauben lösen, dann Reglereinheit (A) ausbauen.
|
| 3. |
OAP-Kappe entfernen (A).
|
| 4. |
Mit dem Spezialwerkzeug (09373-27000) OAP-Riemenscheibe (A) ausbauen.
|
| 5. |
Statorkabel abklemmen, dann die Gleichrichtereinheit (A) ausbauen.
|
| 6. |
Die Langschrauben (A) lösen.
|
| 7. |
Rotor (A) und Gehäuse (B) voneinander trennen.
|
| Zusammenbau |
| 1. |
Der Zusammenbau erfolgt in der umgekehrten Reihenfolge der Zerlegung.
|
| PRÜFUNG |
| [Rotor] |
| 1. |
Auf Durchgang zwischen den Schleifringen (C) prüfen.
|
| 2. |
Sicherstellen, dass zwischen den Schleifringen und dem Rotor (B) oder der Rotorwelle (A) kein Durchgang vorhanden ist. |
| 3. |
Wenn der Rotor eine der Durchgangsprüfungen nicht besteht, den Generator ersetzen. |
| [Stator] |
| 1. |
Alle Spulenleitungspaare (A) auf vorhandenen Durchgang prüfen.
|
| 2. |
Sicherstellen, dass zwischen allen Spulenleitungen und dem Spulenkern kein Durchgang vorhanden ist. |
| 3. |
Wenn die Spule eine der Durchgangsprüfungen nicht besteht, den Generator ersetzen. |
Bauteile und bauteile-Übersicht BAUTEILE-ÜBERSICHT ● ECM - Batterie ③ Generator ④ Starter ● Instrumentenblock ⑥ Zündschalter oder Motorstartknopf ⑦ Batteriesensor * Motorhaubenschalter Beschreibung und bedienung Beschreibung Das Ladesystem besteht aus einer Batterie, einer Lichtmaschine mit eingebautem Regler und der Ladekontrollleuchte mit Leitungen.
Beschreibung und bedienung Beschreibung Aufgrund der beträchtlich häufigeren Startvorgänge führt die oft auftretende elektrische Last zu Spannungsabfällen im Fahrzeugnetzwerk.
Bauteile und bauteile-Übersicht BAUTEILE-ÜBERSICHT 1. Fensterheberschalter (Fahrerseite) 2. Fensterheberschalter (Beifahrerseite) 3 Fensterheberschalter hinten 4. Fensterhebermotor vorn 5. Fensterhebermotor hinten Beschreibung und bedienung Sicherheitsfunktion des elektris
Beschreibung und bedienung Beschreibung Der Verdampfertemperatursensor erfasst die Verdampferkerntemperatur und unterbricht die Stromversorgung des Kompressorrelais, um zu vermeiden, dass der Verdampfer wegen übermäßiger Kühlung zufriert.